Каталог
3 фото
Описание

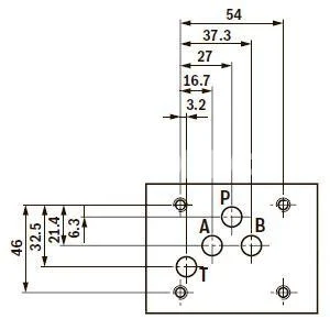
Основные параметры клапана:

Условный проход, мм: 10

Давление нагнетания ном., МПа: 31,5

Расход рабочей жидкости, л/мин: 120

Тип монтажа: модульный

Масса, кг: 3,2

Title 1, Гидрозамок Z2S 10-1-33

Title 2, Гидрозамок Z2S 10-1-33

Запорный клапан Z2S является управляемым обратным клапаном секционного типа, предназначенным для надежного герметичного закрытия одного или двух потребительских соединений, даже в условиях длительных простоев.

В направлении A1 к A2 и B1 к B2 поток жидкости свободен, тогда как в обратном направлении объемный расход блокируется. Когда жидкость движется от A1 к A2, управляющий золотник (1) смещается в сторону B и выталкивает плунжер (2) из седла, после чего жидкость может течь от B2 к B1.

Также имеются промежуточные плиты, типоразмер 6, с различными техническими паспортами, описывающими рабочие жидкости на минеральной основе и общую информацию о гидрооборудовании. Важно отметить, что на клапанах без предварительной разгрузки давления возможны резкие изменения давления, что может вызвать удары при переключении. Это может привести не только к сильному шуму, но и к преждевременному износу компонентов.

Показать еще
Дата публикации: 27 January 2025 в 10:53 1.52K Просмотров

Похожие продукты