Каталог
3 фото
Характеристики
Бренд
РОССИЯ
Описание

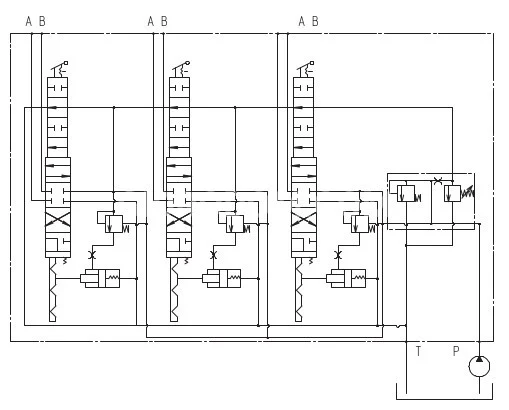
Технические характеристики:

Тип распределителя — клапанно-золотниковый моноблочный;

Тип золотника — с закрытым центром, уравновешенный с торцов;

Количество золотников — 3

Диаметр золотника, мм — 25

Позиции золотника — «Подъем», «Нейтральная», «Опускание принудительное «, «Плавающая «

Фиксация положений золотников в позиции — «Подъем» и «Опускание принудительное» (с помощью шарикового замка)

Возврат из позиции — «Подъем» и «Опускание принудительное» автоматически (по достижении заданного давления)

Возврат из позиции — «Плавающая» вручную

Тип предохранительного клапана — дифференциальный, постоянного давления

Макс, давление, МПа — 20,0

Масса распределителя, кг — 18

Схема распределения потока рабочей жидкости:

Title 1, Гидрораспределитель Р80-3/1-244

Title 2, Гидрораспределитель Р80-3/1-244

Существует два типа распределителей в данной серии: двухсекционные и трехсекционные. Наиболее популярным трехсекционным распределителем является Р80-3/1-222, который часто устанавливают на трактора МТЗ и ЮМЗ. В числе двухсекционных распределителей самым распространенным является Р80-3/1-22, используемый на тракторах Т-25 и Т-16, хотя эти агрегаты можно применять и на других машинах.

Большинство распределителей оснащены золотниками типов «2» и «4». Золотник типа «2» обеспечивает автоматическое отключение в позициях: подъем, опускание и фиксация. Он имеет четыре положения: подъем, нейтральное, опускание и плавающее. Положение "плавающее" используется при установке навесного и прицепного оборудования. Золотник типа «4» имеет три положения: подъем, нейтральное и опускание. У него нет фиксируемых положений и автоматического отключения, поэтому его применяют для техники, выполняющей погрузочно-разгрузочные работы, такой как тракторы, погрузчики, бульдозеры и другие.

Распределитель необходимо использовать с насосами типов НШ 10-3, НШ32-3 или НШ50-3. Гидрораспределитель должен размещаться на машине не ниже уровня верхней точки масляного бака.

Обозначение гидрораспределителей типа Р80 имеет следующую структуру:

Р 80 3 / Х - ХХ

где Р обозначает распределитель, 80 – номинальный расход в литрах в минуту, 3 – код давления, Х – код эксплуатационного назначения, а ХХ – коды типов золотников (порядок кодирования от переливного клапана).

Показать еще
Дата публикации: 3 March 2025 в 9:57 1.46K Просмотров

Похожие продукты