Каталог
3 фото
Характеристики
Бренд
РОССИЯ
Описание

Основные технические данные

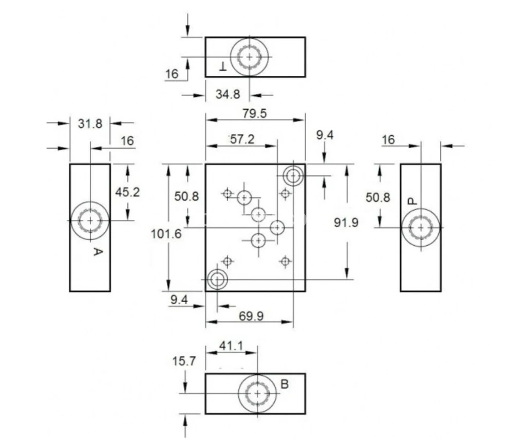
Title 1, плита монтажная к ВЕ10 (трубн. монтаж, выход вбок)

Гидроплита с боковыми отверстиями для монтажа предназначена для гидрораспределителей ВЕ10 и изготавливается из стали. Она имеет четыре выхода с каждой стороны, с соединением 1/2".

В нашей компании также доступна переходная плита Ду10 с выходами вниз.

Монтажная плита для гидрораспределителя ВЕ10 имеет выходы, расположенные в боковой части. Переходная плита создана для обеспечения совместимости между гидрораспределителем ВЕ10 и другими элементами гидравлической системы. Изготовленная из высококачественных материалов, она гарантирует надежное и долгое соединение.

Эта плита обеспечивает идеальную совместимость с гидрораспределителем ВЕ10, обеспечивая надежное соединение. Она выполнена из прочных материалов, что обеспечивает устойчивость к износу и длительный срок службы. Установка плиты осуществляется быстро и легко, что позволяет экономить ваше время и усилия. Кроме того, она совместима с различными компонентами гидравлической системы, обеспечивая гибкие возможности конфигурации и оптимальную передачу гидравлической жидкости, тем самым повышая общую эффективность системы.

Преимущества включают улучшенную интеграцию гидравлической системы, повышенную надежность и долговечность, упрощенную установку и расширенные возможности конфигурации.

Показать еще
Дата публикации: 3 March 2025 в 9:57 1.65K Просмотров

Похожие продукты