Каталог
3 фото
Характеристики
Бренд
HOYEA КИТАЙ
Описание

Основные технические данные

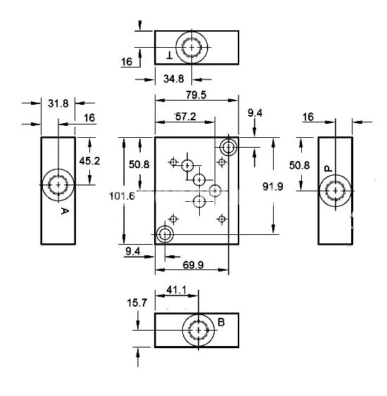
Title 1, плита монтажная к ВЕХ16 туб монтаж выход вбок ...

Монтажная гидравлическая плита ВЕХ16 130350 предназначена для подключения гидрораспределителей типа В16; ВЕХ16 к гидросистеме. По специальному запросу можно изготовить плиту с измененной конструкцией. Плита выполнена из стали 20 и рассчитана на рабочее давление жидкости до 32 МПа.

Показать еще
Дата публикации: 3 March 2025 в 9:57 1.19K Просмотров

Похожие продукты