Каталог
3 фото
Характеристики
Бренд
РОССИЯ
Описание

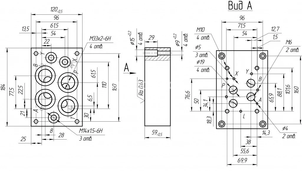
Гидроплита с боковыми отверстиями для монтажа предназначена для гидрораспределителей ВЕХ16 и изготовлена из стали. Она имеет выходы по всем сторонам с присоединением 3/4".

В нашей компании также доступна переходная плита Ду16 с выходами вниз.

Эта монтажная плита предназначена для гидрораспределителя ВЕХ16 с выводом вбок. Переходная плита разработана для упрощения интеграции между гидрораспределителем ВЕХ16 и другими элементами гидравлической системы. Изготовленная из высококачественных материалов, она обеспечивает надежное и долговечное соединение.

Плита обладает точной совместимостью, идеально подходит для ВЕХ16, гарантируя надежную посадку. Её прочная конструкция обеспечивает долгий срок службы и защиту от износа. Установка проходит быстро и легко, что экономит ваше время и усилия. Плита совместима с различными компонентами гидравлической системы, позволяя гибко настраивать конфигурацию. Она также обеспечивает оптимальную передачу гидравлической жидкости, что способствует повышению общей эффективности системы.

Преимущества включают улучшенную интеграцию гидравлической системы, высокую надежность и долговечность, упрощенную установку, расширенные возможности конфигурации и оптимизированную производительность.

Title 1, плита монтажная к ВЕХ16.130350 (трубный монтаж ...

Показать еще
Дата публикации: 4 March 2025 в 9:57 1.09K Просмотров

Похожие продукты