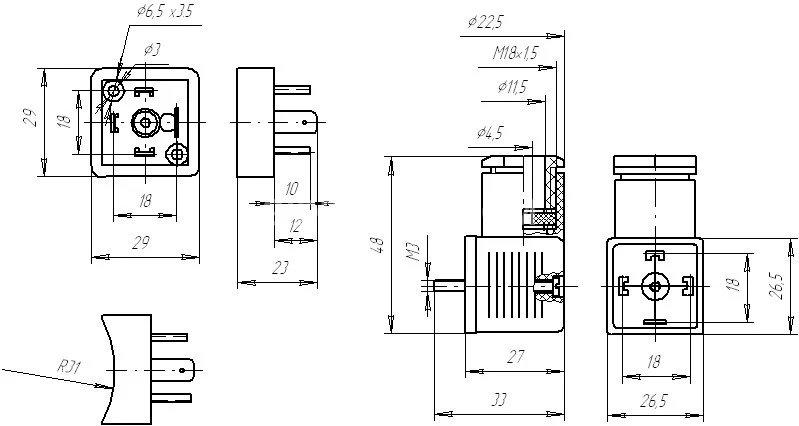
Электромагнит ЭМ-25 (к гидрораспределителю Ду 10мм.)
✓ Сертифицированное оборудование
✓ Гарантия надежной эксплуатации
✓ Контроль качества на каждом этапе
✓ Современное оборудование
✓ Быстрая отгрузка
Основные технические данные
| 1. Номинальный ход якоря, мм | 3,5 |
|---|---|
| 2. Полный ход якоря, мм, не менее | 7,5 |
| 3. Тяговое усилие при номинальном ходе якоря, Н, не менее | 90 |
| 4. Потребляемая мощность, Вт | 42 |
| 5. Допустимое отклонение питающего напряжения от номинала, %, не более | ±10 |
| 6. Масса, кг, не более | 1,5 |

Мы предлагаем электромагниты ЭМ-25 для гидравлических распределителей с диаметром 10 мм (ВЕ10). Доставка осуществляется по всей территории России со склада.
Для уточнения цен на катушку ЭМ-25 и условий поставки, вы можете позвонить по телефону +7 (391) 294-07-24 или отправить запрос через наш сайт.
Электромагнит ЭМ-25 предназначен для дистанционного управления гидрораспределителями с условным проходом Ду 10 мм, такими как ВЕ10, 1РЕ10, МРЭ10, РХ10 и др., а также для секционной гидроаппаратуры станков и мобильной техники. Катушка надежно изолирована и защищена металлическим корпусом, а металлические детали, которые могут контактировать с окружающей средой, защищены от коррозии. Среди характеристик электромагнита можно выделить: наличие «сухого якоря», кнопку для ручного включения, а также степень защиты — IP54 с электрическим соединителем СЭ11-19 и DIN43650А, и IP65 с соединителями 2РМГ14 и AMP Power Timer.