Гидродроссель VP-NDV-6-D KLADIVAR
✓ Сертифицированное оборудование
✓ Гарантия надежной эксплуатации
✓ Контроль качества на каждом этапе
✓ Современное оборудование
✓ Быстрая отгрузка
Технические характеристики:
Условный проход, мм.: 6
Номинальное давление на выходе, МПа: 35
Номинальная подача, л/мин: 100
Тип монтажа: модульный

Присоединительные параметры по стандарту ISO 4401:
- Для регулировки потока в обоих рабочих линиях
- Для дросселирования в подающей и возвращающей линиях
- Для вертикального монтажа – конструкция типа сэндвич-панели
- Высота и ширина клапанов соответствуют стандарту ISO 7790
Дроссельно-обратные клапаны типа VP-NDV предназначены для дросселирования потока рабочей и основной гидравлической жидкости в линиях A и B. Эти клапаны состоят из двух дросселирующих золотников с винтами для регулировки и двух обратных клапанов, вмонтированных в корпус.
В направлении от V к P (см. гидравлический символ) гидравлическая жидкость проходит с минимальными потерями давления через обратный клапан. В направлении от P к V поток дросселируется в зависимости от настройки дросселирующего золотника.
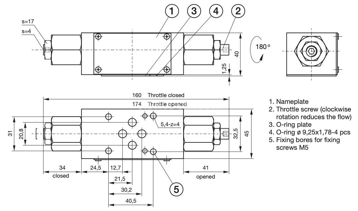
Эти дроссельно-обратные клапаны предназначены для вертикального монтажа и позволяют дросселировать поток гидравлической жидкости как в возвратной, так и в подающей линии. Направление дросселирования можно изменить, поворачивая клапан: клапаны размера 6 поворачиваются на 180° вокруг продольной оси, а клапаны размера 10 – на 180° вокруг поперечной оси (см. ниже). Пластина с уплотнительным кольцом всегда устанавливается со стороны монтажной плиты.