Гидроклапан DB10-1-41/100 Rexroth
✓ Сертифицированное оборудование
✓ Гарантия надежной эксплуатации
✓ Контроль качества на каждом этапе
✓ Современное оборудование
✓ Быстрая отгрузка
Основные параметры клапана:
Диаметр условного прохода - 10 мм
Давление нагнетания ном. - 35 МПа
Расход рабочей жидкости ном. - 650 л
Присоединение : резьбовое

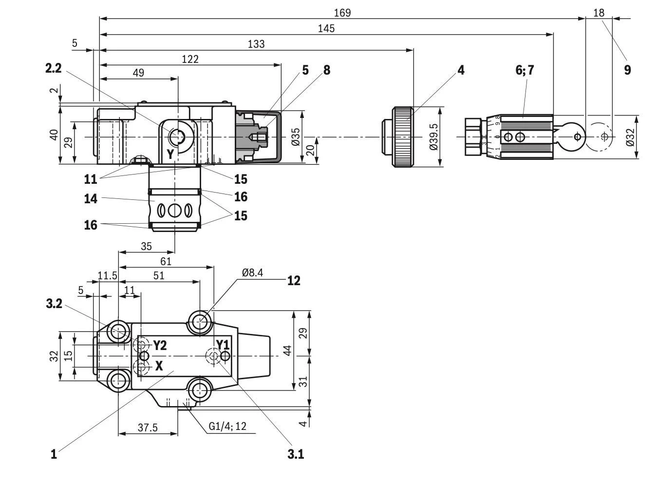
Клапан DB 10 DP представляет собой клапан последовательности давления с прямым действием, предназначенный для создания зависимого от давления соединения во второй системе. Уровень давления последовательности регулируется с помощью типовой настройки (4). Сжатая пружина (3) фиксирует золотник управления (2) в начальном положении, при этом клапан остается в закрытом состоянии. Давление из канала P подается через управляющую линию (6) на поверхность золотника (2),противоположную пружине (3). Как только давление в канале P достигает установленного уровня пружины (3),золотник управления (2) сдвигается влево, открывая соединение от P к A. Подключенная к каналу A система функционирует без перепада давления в канале P. Сигнал управления может поступать как из канала P через линию (6),так и извне через порт B (X). В зависимости от применения возврат масла пилота может осуществляться снаружи через порт T (Y) или внутри через A.