Гидроклапан DB10-1-42/315 PONAR
✓ Сертифицированное оборудование
✓ Гарантия надежной эксплуатации
✓ Контроль качества на каждом этапе
✓ Современное оборудование
✓ Быстрая отгрузка
Основные параметры клапана:
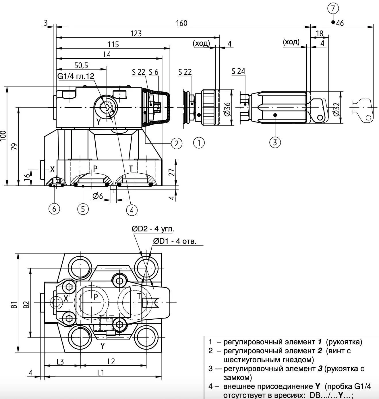
Диаметр условного прохода - 10 мм
Давление нагнетания ном. - 35 МПа
Расход рабочей жидкости ном. - 250 л
Тип монтажа: стыковой

Переливной клапан типа DB предназначен для ограничения давления в гидравлической системе или её части. Модификация DBW с пилотом также используется для разгрузки гидравлической цепи. Примеры применения включают использование DB для установки максимального давления и DBW для запуска насоса без давления. Оборудование соответствует требованиям директивы 2006/95/WE для напряжений 50–250 В переменного тока и 75–250 В постоянного тока.
Переливной клапан с управлением типа DB состоит из входного клапана и главного клапана. Давление в системе через канал Р воздействует на нижнюю часть управляющего золотника, а через сопла также на его верхнюю часть и на конус входного клапана. В неработающем состоянии давление с обеих сторон одинаково, а пружина удерживает золотник в открытом положении. Каналы Р и Т изолированы. Когда давление в системе достигает значения, заданного регулировочным элементом и настройками пружины, конус открывается, и жидкость течет через сопла в бак. На соплах происходит падение давления, что приводит к большему давлению на нижней поверхности золотника и его подъему, что позволяет стравливать избыточную жидкость в бак и поддерживать необходимый уровень давления в системе.
Кроме того, существует версия с принудительной разгрузкой (электрической). Пилот в виде распределителя в выходном состоянии закрывает канал перед управляющим конусом. Клапан работает аналогично описанному выше. После переключения распределителя он соединяет канал перед конусом с сливом, что позволяет разгруженному золотнику открывать соединение между Р и Т. Клапан может быть выполнен в двух вариантах в зависимости от пилота: в закрытом положении – версия DBW…A…, и в открытом положении – версия DBW…B….