Гидроклапан DRS 10-4-33/315UN Rexroth
✓ Сертифицированное оборудование
✓ Гарантия надежной эксплуатации
✓ Контроль качества на каждом этапе
✓ Современное оборудование
✓ Быстрая отгрузка
Основные параметры клапана:
Диаметр условного прохода - 10 мм
Давление нагнетания ном. - 21 МПа
Расход рабочей жидкости ном. - 80 л
Присоединение : резьбовое

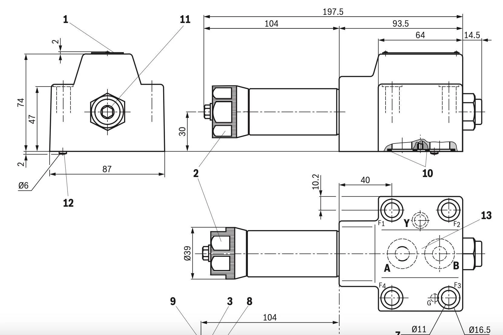
Для монтажа на плите предусмотрена следующая информация:
Схема расположения портов соответствует стандарту ISO 5781-06-07-0-00. Клапан поддерживает четыре диапазона давления и предлагает четыре варианта регулировки (опционально): поворотная ручка, установочный винт с шестигранником и защитным колпачком, запираемая поворотная ручка со шкалой, а также поворотная ручка со шкалой. Также имеется подключение для манометра и обратный клапан (опционально). Конструкция защитит от коррозии.
Клапан типа DRS 10 представляет собой редукционный клапан прямого действия в трехходовом исполнении, который обеспечивает ограничение давления во вторичном контуре и служит для его снижения. Вторичное давление настраивается с помощью регулировочного механизма. В исходном положении клапан открыт, что позволяет гидравлической жидкости свободно перетекать из канала B в канал A. Давление в канале A поступает через управляющую линию на область поршня, расположенного напротив пружины сжатия. Если давление в канале A превышает заданное значение пружины, управляющий золотник перемещается в управляющее положение, поддерживая давление на постоянном уровне. Управляющее масло подается из канала A по линии управления. При дальнейшем увеличении давления в канале A внешней силой, управляющий золотник прижимается к пружине еще сильнее. Это приводит к соединению канала A с каналом T(Y) через управляющую кромку на золотнике, что позволяет сбросить гидравлическую жидкость в бак и предотвратить значительное увеличение давления. Утечки масла из камеры пружины осуществляются через канал T(Y),а для свободного обратного потока из канала A в B может быть установлен обратный клапан. Подключение манометра позволяет контролировать вторичное давление.