Гидроклапан FE25-C21/315LK4MAO13 Rexroth
✓ Сертифицированное оборудование
✓ Гарантия надежной эксплуатации
✓ Контроль качества на каждом этапе
✓ Современное оборудование
✓ Быстрая отгрузка
Основные параметры клапана:
Диаметр условного прохода - 25 мм
Давление нагнетания ном. - 32 МПа
Расход рабочей жидкости ном. - 250 л
Тип монтажа : фланцевое

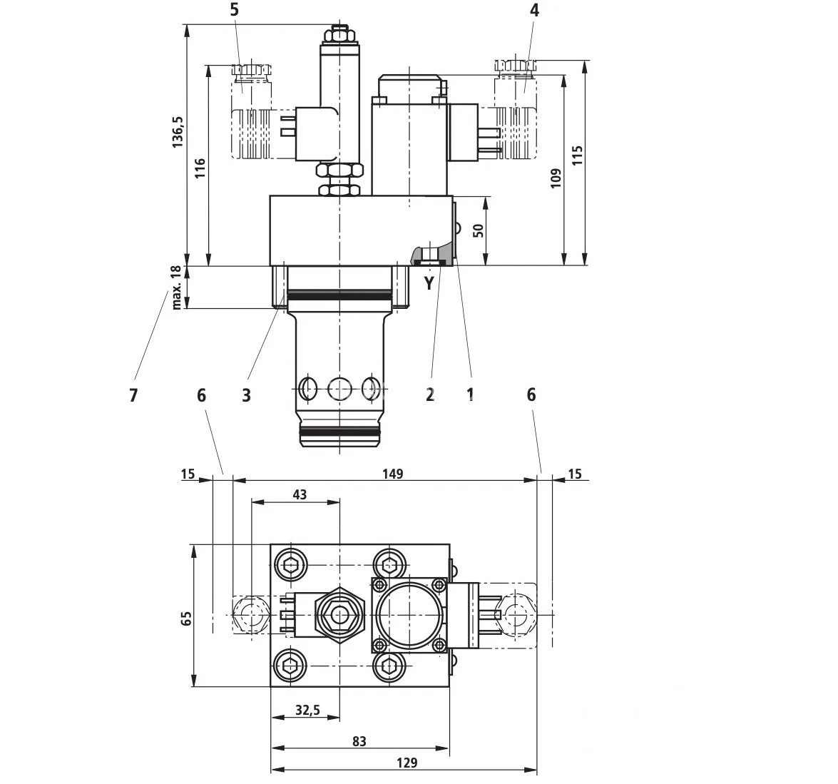
Пилотный пропорциональный дроссельный клапан с двумя проходами, выполненный по блочной технологии монтажа, имеет установочные размеры, соответствующие стандарту DIN ISO 7368. Электрически управляемый золотник клапана регулирует поток от точки A к точке B. В случае отключения питания или обрыва кабеля золотник автоматически перемещается в закрытое положение, перекрывая поток от A к B. Этот клапан может использоваться для регулирования потока с компенсацией давления в замкнутом контуре вместе с компенсатором давления и предназначен для внешней аналоговой электроники.
Описание продукта
Клапаны типа FE – это пилотные пропорциональные дроссельные клапаны с двумя проходами, предназначенные для блочной установки и непрерывного регулирования потоков.
Техническая установка
Клапан состоит из четырех основных компонентов: крышки, которая имеет соединительную поверхность для пилотного масла, главного клапана с золотником, пилотного регулирующего клапана с пропорциональным соленоидом и механизма управления положением золотника, который зависит от команды и определяет открытие отверстия. Расходного потока зависит от перепада давления на отверстии и положения золотника. Фактическое значение положения золотника фиксируется сенсором, осуществляется сравнение между командным и фактическим значением в электронной системе, и в случае необходимости проводятся корректировки для управления золотником посредством пропорционального соленоида.
Отношение площадей клапанов равно 1:1, направление потока A → B. Если подается внешнее пилотное масло, давление в подающем порте должно быть не ниже давления в порте A для нормальной работы клапана. Обход пилотного масла через сопло уменьшает вибрации. При отключении подача масла в золотник происходит против упора, что приводит к его закрытию и блокировке потока от A к B. Установленные значения команд (0 В или 4 мА) уже отрегулированы, однако отверстие всё еще блокирует поток.
В нормальном состоянии поток A → B совместно с подачей из X. Пропорциональный соленоид перемещает управляющий золотник против пружины, открывая соединение от камеры управления к выходу. Снижая давление в камере управления, золотник движется к открытому положению под действием давления от A. Это может происходить в комбинации с компенсатором давления для управления потоком при изменениях нагрузки. В случае сбоя питания электроника отключает соленоид, а давление в порту управления движет золотник в закрытое положение, блокируя поток от A к B.