✓ Сертифицированное оборудование
✓ Гарантия надежной эксплуатации
✓ Контроль качества на каждом этапе
✓ Современное оборудование
✓ Быстрая отгрузка
Гидрораспределители
Гидрозамки
Гидродроссели
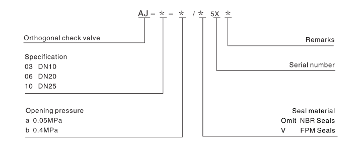
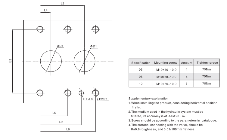
Гидроклапана
Гидронасосы
Гидромоторы
Фильтры
Пневматика
Теплообменники
Гидростанции, смазка
Муфты электромагнитные
Регуляторы потока и давления
Реле и датчики давления
Прочее
Корзина пуста
1. Довольны ли вы качеством наших товаров?
2. Довольны ли вы качеством наших услуг?
3. Довольны ли вы нашими сотрудниками?
Спасибо за ваши ответы и за то, что вы являетесь нашим клиентом!
Ваш промокод на скидку 5% - survey
**Мы ценим ваше мнение и готовы меняться к лучшему!
В конце опроса дарим промокод на скидку!
Вы уже участвовали в опросе.


