Гидроклапан обратный SL6PB2-62 Rexroth
✓ Сертифицированное оборудование
✓ Гарантия надежной эксплуатации
✓ Контроль качества на каждом этапе
✓ Современное оборудование
✓ Быстрая отгрузка
Основные параметры клапана:
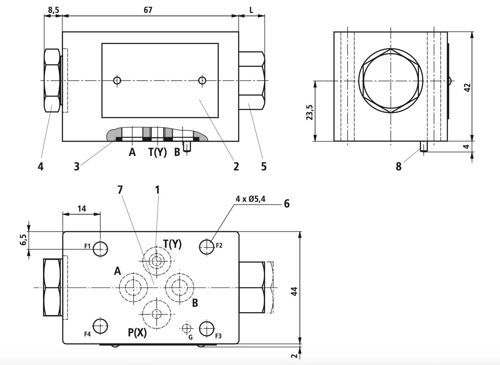
Диаметр условного прохода: 6 мм
Давление нагнетания ном. - 31,5 МПа
Расход рабочей жидкости ном. - 60 л/мин
Тип монтажа :стыковой

Запорный клапан типа SV/SL представляет собой обратный клапан с возможностью деблокировки для установки на плите. Он предназначен для надежного герметичного запирания одного подключения потребителя, даже в условиях длительных простоях. Основные элементы клапана включают корпус, седельный затвор, пружину сжатия, управляющий золотник и, по выбору, клапан с сферической посадкой для предварительной разгрузки давления. Жидкость может свободно течь в направлении от A к B без внешнего давления, при условии, что давление в A больше, чем в B на величину давления, необходимого для открытия пружины. В обратном направлении седельный клапан остается герметичным. Высокое управляющее давление на подключении X приводит к смещению управляющего золотника в сторону седельного клапана, что позволяет седельному затвору выходить из седла и обеспечивает свободный поток жидкости в обоих направлениях. Важно, чтобы соотношение давлений с обеих сторон управляющего золотника было оптимальным для надежного отпирания седельного клапана, так же как и соотношение площадей на седельном затворе.
Вариант "A", оснащенный предварительной разгрузкой давления, позволяет управлять клапаном при низком управляющем давлении благодаря двуступенчатой конструкции с увеличенным отношением эффективных площадей. Это также помогает предотвратить удары при переключении за счет плавной разгрузки давления со стороны потребителя.
Вариант "B", напротив, не имеет предварительной разгрузки, что может привести к резкой разгрузке установленного объема давления и, как следствие, серьезным ударам при переключении. Это может вызвать усиление шума и преждевременный износ компонентов.