Гидроклапан обратный Z1S10P1-34/VW4 Rexroth
✓ Сертифицированное оборудование
✓ Гарантия надежной эксплуатации
✓ Контроль качества на каждом этапе
✓ Современное оборудование
✓ Быстрая отгрузка
Основные параметры клапана:
Диаметр условного прохода: 10 мм
Давление нагнетания ном. - 35 МПа
Расход рабочей жидкости ном. - 100 л/ми
Тип монтажа : модульный

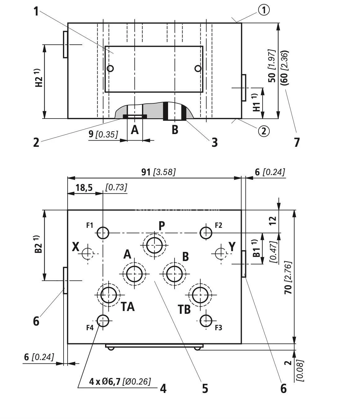
Клапан предназначен для вертикального монтажа в штабелях. Он соответствует схемам портов ISO 4401-05-04-0-05, ISO 4401-05-05-0-05 и NFPA T3.5.1 R2-2002 D05. У клапана есть различные функции блокировки, он может быть одно- или двухканальным. Высокая герметичность достигается благодаря эффективной пластиково тарелке, а корпус имеет коррозионностойкую конструкцию, доступную по запросу. Он подходит для различных гидравлических жидкостей, что возможно благодаря простой замене внешних уплотнительных колец, что позволяет провести модернизацию. Также возможно экономичное восстановление изнашиваемых частей, так как комплект для установки обратного клапана можно заказать отдельно. Клапан может быть оснащен измерительными портами и дроссельным обратным клапаном по желанию.
Клапан типа Z1S является обратным клапаном сэндвич-панели прямого действия, который блокирует поток жидкости в одном направлении, не допускает утечек и одновременно позволяет свободный поток в противоположном направлении. Пластиковая тарелка (1) движется ограниченно благодаря пластиковой розетке (2),а пружина (3) поддерживает её закрытое положение. При отсутствии потока именно пружина удерживает пластиковую тарелку в закрытом состоянии. Идеальная герметичность достигается при относительно низких давлениях (0,1 x pmax).
Важно отметить, что в любом положении монтажа, когда пластиковая розетка (2) установлена с той стороны пластины ②, не требуется дополнительное уплотнительное кольцо. Уплотнение на стороне компонента ① обеспечивается стандартным уплотнительным кольцом уже установленного узла. Пластиковая розетка (2) выполняет функцию герметизации и не должна сниматься или повреждаться. Выступ розетки (2) необходим из-за конструкционных требований (предварительная нагрузка). В зависимости от объема и температурных колебаний гидравлической жидкости, могут возникать изменения статического давления, которые не связаны с утечками в области седла.