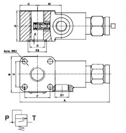
Гидроклапан предохранительный 521.25.06 (аналог У462.817.1)
✓ Сертифицированное оборудование
✓ Гарантия надежной эксплуатации
✓ Контроль качества на каждом этапе
✓ Современное оборудование
✓ Быстрая отгрузка
Основные параметры клапана:
Диаметр условного прохода - 25 мм
Давление нагнетания ном. 25 МПа
Расход рабочей жидкости ном. - 250 л
Тип монтажа : резьбовой

Гидроклапаны У462.817.1 служат для защиты гидропривода от перегрузки, возникающей при увеличении рабочего давления в гидросистеме машины.
Механизм с обозначением У 462.817.1 имеет диапазон настройки давления от 13 до 28 МПа и выполняется в патронном исполнении. При размещении заказа необходимо указать конкретное значение давления для настройки. Если это значение не указано, клапан будет установлен на минимальное давление 13 МПа в установленном диапазоне, а информация о настройке на клапане не будет указана. Важно, чтобы покупатель помнил, что гидроклапан настраивается при номинальном расходе рабочей жидкости, а его открытие происходит при давлении, равном или превышающем 0,75 от значения настроечного давления.