Гидроклапан предохранительный КПМ102
✓ Сертифицированное оборудование
✓ Гарантия надежной эксплуатации
✓ Контроль качества на каждом этапе
✓ Современное оборудование
✓ Быстрая отгрузка
Основные параметры клапана:
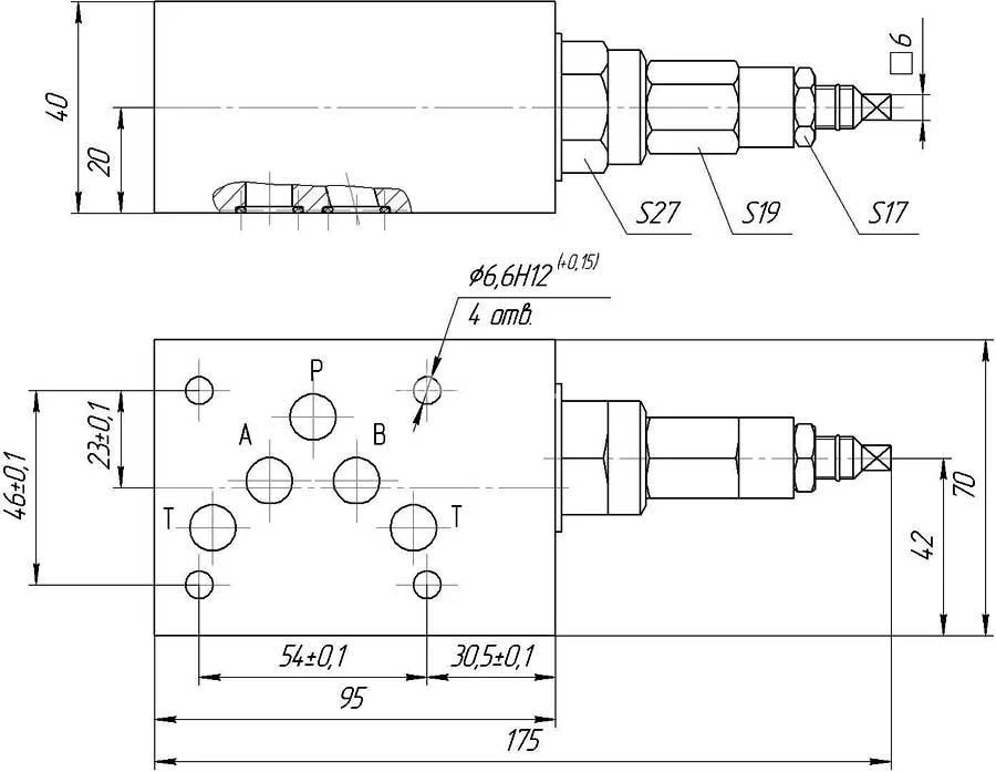
Диаметр условного прохода - 10 мм
Давление нагнетания ном. - 25 МПа
Расход рабочей жидкости ном. - 63 л
Тип монтажа : модульный

Предохранительные клапаны модульного монтажа КПМ 6 и КПМ-10 предназначены для ограничения давления в подводимом потоке масла, поддержания заданного давления и защиты гидросистемы от перегрузок.
Принцип их работы заключается в том, что пока давление в системе не превышает установленное значение, на которое настроена пружина, гидравлически уравновешенный золотник блокирует слив масла. При увеличении давления в системе клапан открывается, преодолевая сопротивление пружины, и масло начинает сливаться. Когда давление в системе падает ниже значения, установленного пружиной, клапан снова закрывается, останавливая поток масла на слив.