Гидроклапан предохранительный МКПВ10/3МР1 (2,3)
✓ Сертифицированное оборудование
✓ Гарантия надежной эксплуатации
✓ Контроль качества на каждом этапе
✓ Современное оборудование
✓ Быстрая отгрузка
Основные параметры клапана:
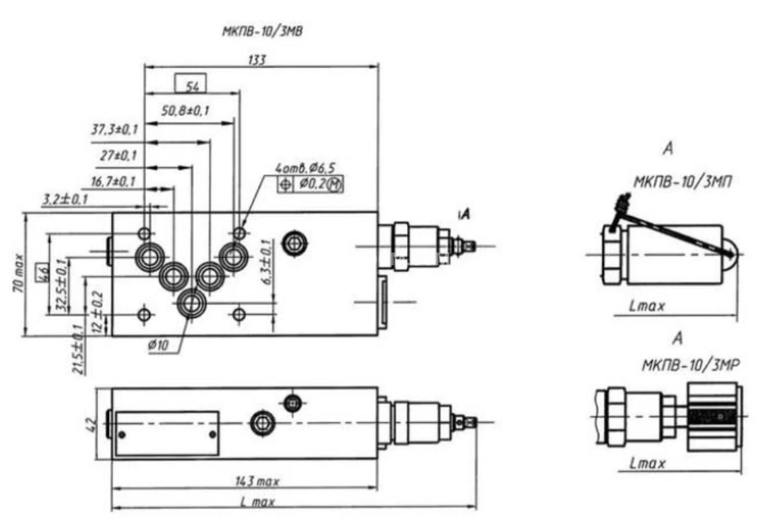
Диаметр условного прохода - 10 мм
Давление нагнетания ном.- 10 МПа
Расход рабочей жидкости ном. - 63 л
Тип монтажа : стыковой

Использование гидроклапанов модульного монтажа МКПВ10/3МР1, МКПВ10/3МР2 и МКПВ10/3МР3 облегчает процесс производства гидроприводов, значительно сокращает количество трубопроводов и предоставляет широкие возможности для модернизации оборудования. Однако аппараты модульного монтажа имеют множество уплотнительных соединений, а в некоторых случаях их технические характеристики хуже, чем у стыковых моделей. Также существует ограничение по номенклатуре, и для их установки требуются специальные стяжки из стали с предела прочности выше 1000 МПа.
Предохранительные клапаны МКПВ-10/ЗМ, согласно ТУ2-053-1758—85, при перегрузке перенаправляют масло из отверстия Р в Т (Т1 или T2 в аппаратах МКПВ-10/ЗМ). Для сквозного прохождения масла от других устройств используются отверстия A и B (в случае МКПВ-10/ЗМ это может быть T2). Клапан МКПВ-10/ЗМ состоит из основных частей: корпуса, гильзы, клапана, пробок, пружины и вспомогательного клапана.
Для уплотнения соединений гидроклапанов МКПВ10/3-МР1, МКПВ10/3-МР2 и МКПВ10/3-МР3, диаметром 10 мм, предназначены резиновые уплотнительные кольца 012-016-25 (по ГОСТ 9833—73). Гидроклапаны МКПВ-10/ЗМ выпускаются вместо гидроклапанов КПМ102. Обе версии аналогичны по креплениям и принципу работы.
Основные характеристики и размеры предохранительных гидроклапанов модульного монтажа МКПВ-10/3-МР1, МКПВ-10/3-МР2 и МКПВ-10/3-МР3 описаны далее. Пример условного обозначения предохранительного гидроклапана модульного монтажа с диаметром условного прохода 10 мм, диапазоном регулировки давления от 0,5 до 12,5 МПа и номинальным расходом рабочей жидкости 63 л/мин, с ручкой в качестве регулировочного устройства для умеренного и холодного климата: Гидроклапан предохранительный МКПВ-10/3МР1 УХЛ4. А для диапазона регулировки давления от 5 до 35 МПа: Гидроклапан предохранительный МКПВ-10/3МР3 УХЛ4.