Гидроклапан редукционный ZDR10DA2-54/150Y Rexroth
✓ Сертифицированное оборудование
✓ Гарантия надежной эксплуатации
✓ Контроль качества на каждом этапе
✓ Современное оборудование
✓ Быстрая отгрузка
Основные параметры клапана:
Диаметр условного прохода - 10 мм
Давление нагнетания ном. - 35 МПа
Расход рабочей жидкости ном. - 80 л
Тип монтажа : стыковое

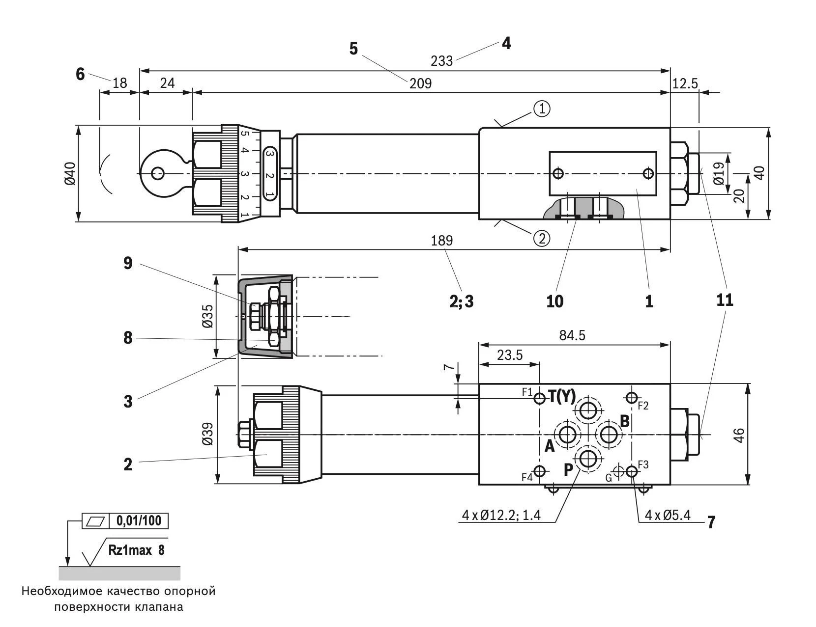
Клапан в форме промежуточной плиты имеет следующие характеристики: соединения располагаются в соответствии с ISO 4401-03-02-0-05 (с фиксирующим отверстием или без него),предусмотрены четыре уровня давления и четыре варианта регулировочного элемента – вращающая ручка, втулка с шестигранником и защитным колпачком, запираемая на ключ вращающая ручка со шкалой и вращающая ручка со шкалой. Он снижает давление в каналах A, B или P и может быть оснащен обратным клапаном (только в исполнении "A"). Есть также вариант с защитой от коррозии.
Клапан типа ZDR представляет собой редукционный клапан прямого действия в секционном формате с защитой от превышения давления во вторичном контуре, предназначенный для снижения давления в системе. Основные компоненты клапана включают корпус, управляющий золотник, пружину сжатия, исполнительный элемент и, при необходимости, обратный клапан. Давление во вторичном контуре регулируется с помощью регулировочного элемента.
В исполнении "А" клапан остается открытым в исходном состоянии, позволяя рабочей жидкости беспрепятственно течь из канала A① в A②. Давление в A② создается через управляющий канал, и когда оно превышает значение, заданное на пружине, управляющий золотник смещается, поддерживая постоянное давление. Если давление продолжает расти из-за внешних факторов, золотник перемещается, и канал A② соединяется с баком, предотвращая дальнейшее увеличение давления. Отвод утечек из полости пружины осуществляется наружу, а манометр позволяет контролировать давление в вторичном контуре. В этом исполнении можно установить обратный клапан для свободного потока жидкости от A② к A①.
В исполнении "P" редукция давления производится в канале P① с поступлением управляющего сигнала из того же канала. В варианте "B" давление также снижается в P①, однако масло для управления берется из канала B.
Важно отметить, что при включении распределителя в режим P к A необходимо следить, чтобы давление в канале B не превышало допустимое для вторичного контура, поскольку это может привести к изменению давления в канале A.