Гидрораспределитель 1Рн203ФМ14
✓ Сертифицированное оборудование
✓ Гарантия надежной эксплуатации
✓ Контроль качества на каждом этапе
✓ Современное оборудование
✓ Быстрая отгрузка
Основные технические данные
Условный проход : 20мм
Рабочее давление: 32МПа
Пропускная способность: 200-300л.
Тип монтажа: модульный (стыковой, плиточный)
Масса : не более 18 кг
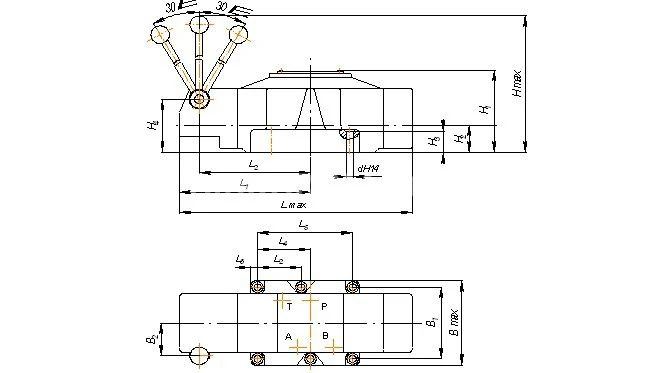
Схема распределения потока рабочей жидкости:


Гидрораспределители типов Р и Рн предназначены для управления направлением, а также для запуска и остановки потока рабочей жидкости в гидравлических системах, которые используются в станках, прессах и других механизмах, работающих под давлением до 320 кгс/см². В зависимости от конструкции гидрораспределители могут иметь разнообразные схемы распределения потока рабочей жидкости и могут использоваться с такими способами управления, как электрогидравлическое, гидравлическое, пневмогидравлическое, ручное (с помощью рукоятки или кнопки),ножным или механическим (с использованием кулачка или тяги). Рабочей жидкостью служат минеральные масла, имеющие класс чистоты не ниже 13 и вязкость в диапазоне от 15 до 400 Ст при температуре от 0 до 55°С, а также в температурном диапазоне окружающей среды от 0 до 50°C.
Основные узлы и детали гидрораспределителей включают шайбы, пружины и дроссельные плиты. Модели с ограничением хода золотника оснащены в крышках регулирующим элементом — винтом, который позволяет изменять или полностью прекращать движение главного золотника в ту или иную сторону.
Четырехлинейные гидрораспределители отличаются от пятилинейных наличием обводного канала, который соединяет сливные полости. Гидрораспределители с электрогидравлическим управлением, предназначенные для номинального давления 200 кгс/см², могут управляться как от основного, так и от вспомогательного потока. Производитель поставляет такие устройства с управлением от вспомогательного потока, а для перехода на управление от основного потока нужно вывернуть пробку и перекрыть канал подвода потока управления.
Гидрораспределители с электрогидравлическим и пневмогидравлическим управлением изготавливаются с отдельным сливом потока управления от основного. В случае, если давление в сливе не превышает 70 кгс/см², слив у четырехлинейных гидрораспределителей может быть объединен с основным сливным каналом. Для этого потребуется вывернуть пробку и перекрыть канал слива потока управления.
Принцип работы гидрораспределителей основан на перемещении золотника под влиянием управляющего усилия из исходной позиции в одну из крайних. В результате этого подключения канала для рабочей жидкости с другими каналами происходит в соответствии со схемой распределения потока. Как только управляющее усилие снимается, золотник возвращается в исходное положение или остается в крайних положениях в зависимости от способа его установки.
Гидрораспределители с фиксированным золотником при установке должны находиться только в горизонтальном положении, в то время как другие модели могут располагаться в любом положении, хотя горизонтальное считается предпочтительным. Эффективная работа этих устройств возможно лишь при использовании минерального масла с контролем содержания механических частиц, которое не должно превышать 0,005% от массы, при этом содержание воды не должно превышать 0,05%. Максимальный размер частиц в масле не должен превышать 0,025 мм.
Замену масла следует осуществлять при его загрязнении механическими примесями или при изменении вязкости более чем на 20% от начальных значений. Для гидрораспределителей с фиксированным золотником необходимо учитывать его положение в момент старта работы. Чтобы золотник находился в правильной позиции для распределения потока, перед началом работы его нужно установить в исходное положение с помощью правого узла управления или отводом рукоятки (кнопки) в крайнее левое положение.
Регулирование времени срабатывания главного золотника у гидрораспределителей с электрическим, гидравлическим и пневматическим управлением осуществляется с помощью дроссельной плиты. Вращение дросселя по часовой стрелке увеличивает время срабатывания главного золотника, а вращение против часовой стрелки — уменьшает его.