Гидрораспределитель 4WMM 6 J53 Rexroth
✓ Сертифицированное оборудование
✓ Гарантия надежной эксплуатации
✓ Контроль качества на каждом этапе
✓ Современное оборудование
✓ Быстрая отгрузка
Основные технические данные
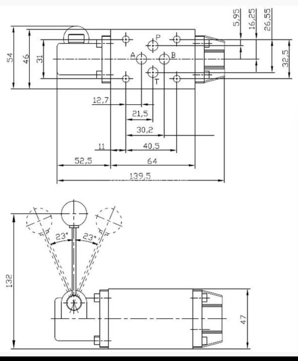
Условный проход : 6мм
Рабочее давление: 35МПа
Пропускная способность: 60л.
Напряжение: 12в., 24в., 110в., 220в., 380в.
Тип монтажа: модульный (стыковой, плиточный)
Масса : 1,45 кг с одним эл.магнитом, 1,95 кг - с двумя эл.магнитами
Схема распределения потока рабочей жидкости:


Ручной распределитель WMM представляет собой золотниковый распределитель прямого действия, который переключает масляный контур путем вращения рукоятки для перемещения золотника в осевом направлении. Он имеет 3/2-ходовой, 4/2-ходовой, 4/3-ходовой, а также различные символы золотника, и он монтируется на плите с дополнительным фиксатором и пружинным сбросом.
Клапан состоит из корпуса клапана , рукоятки , золотника клапана , одной или двух пружин сброса и толкателя .
Золотник клапана удерживается в среднем или начальном положении пружинами сброса в состоянии без работы. Когда ручка толкается вправо или влево, ручка толкает толкатель через шарнир и напрямую управляет золотником клапана, заставляя золотник перемещаться в требуемое положение для получения требуемого поперечного сечения потока. Когда ручка возвращается в нулевое положение, золотник клапана возвращается в нормальное положение возвратной пружиной . Положение переключения этого клапана управляется ручкой.
Модель WMM.../F
Принцип в основном такой же, как у WMM.../. Но этот тип клапана представляет собой регулирующий клапан с двумя или символами, например,три положения переключения и один фиксатор. Поэтому все положения переключения фиксированы.
Вставной дроссель
Из-за ограничений рабочих условий может случиться, что поток клапана превысит указанный расход на кривой производительности клапана во время процесса переключения, тогда требуется использование дросселя серии от 10 до 19 (для размера 10). Он устанавливается в камеру P клапана или масляного контура.
Этот тип клапана имеет такие преимущества, как малый объем, большая пропускная способность и хорошая надежность по сравнению с другими сериями клапанов. Его можно использовать вместе с модульными клапанами того же размера, и широко использовать в машиностроении, угледобывающем оборудовании, химическом оборудовании, легкопромышленном оборудовании, локомотивах и многих других отраслях промышленности.