Гидрораспределитель C21 105N-EB-E-C-1 JKV
✓ Сертифицированное оборудование
✓ Гарантия надежной эксплуатации
✓ Контроль качества на каждом этапе
✓ Современное оборудование
✓ Быстрая отгрузка
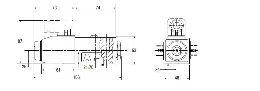
Основные технические данные
Условный проход : 10мм
Рабочее давление: 35МПа
Пропускная способность: 120л.
Напряжение: 12DC, 24DC, 110AC, 220AC
Тип монтажа: модульный (стыковой, плиточный)
Масса : 4,5 кг с одним эл.магнитом, 6,1 кг - с двумя эл.магнитами
Схема распределения потока рабочей жидкости:


Направляющий распределитель прямого действия обеспечивает высокие функциональные характеристики, достигая производительности до 150 л/мин, в то же время поддерживая низкий перепад давления, что способствует энергосбережению. В ассортименте представлено множество опций, включая мягкие анкерные трубки переключения, которые обеспечивают плавность работы устройства. Отдельные версии распределителя предлагают контроль положения, дополнительную защиту поверхности и разнообразные варианты разъемов, которые будут рассмотрены в следующих главах.
Диаграмма кривой потока иллюстрирует зависимости между кривыми потока и падениями давления для всех типов золотников. Каждому типу золотника, рабочему положению и направлению потока соответствует определенный номер кривой, указанный в приложенной таблице. Далее ниже представлены диаграммы, которые показывают пределы переключения для клапанов с электромагнитами как постоянного, так и переменного тока. У клапанов с положением золотника «F» или «M» рабочие параметры ограничены 70 % от указанных пределов. Важно отметить, что характеристики относятся к вязкости 40 мм²/с и сбалансированному потоку. При несбалансированном потоке пределы переключения могут значительно снижаться. Для предотвращения превышения скоростей потока, превышающих допустимые значения, в порт P может быть установлено вставное отверстие.