Гидрораспределитель DG4S4 012A 220AC50 50UG GE105G VICKERS
✓ Сертифицированное оборудование
✓ Гарантия надежной эксплуатации
✓ Контроль качества на каждом этапе
✓ Современное оборудование
✓ Быстрая отгрузка
Основные технические данные
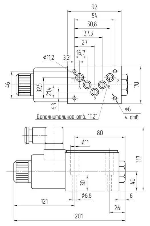
Условный проход : 10мм
Рабочее давление: 35МПа
Пропускная способность: 120л.
Напряжение: 12DC, 24DC, 110AC, 220AC
Тип монтажа: модульный (стыковой, плиточный)
Масса : 4,5 кг с одним эл.магнитом, 6,1 кг - с двумя эл.магнитами
Схема распределения потока рабочей жидкости:


Ассортимент четырехпортовых соленоидных распределителей с конструкцией четырехсекционного золотника предназначен для обеспечения плавной и регулируемой скорости работы клапана. Эти электромагнитные гидрораспределители служат для контроля потока гидравлической жидкости в различных частях гидросистемы.
Преимущества использования гидрораспределителей очевидны. Во-первых, они обеспечивают эффективное управление гидросистемами при увеличенной мощности, не требуя повышения мощности электромагнитов. Во-вторых, такие устройства отличаются экономичностью, что позволяет сэкономить пространство, снизить потребление энергии и уменьшить массу. Повышение производительности системы достигается благодаря современным технологиям производства золотников и их посадочных мест. Уникальный дизайн распределителей обеспечивает надежную работу под высокими давлениями и потоками жидкости, а также гибкие возможности установки, благодаря разнообразию электромагнитов и соединителей. Эти гидрораспределители способны функционировать с различными рабочими средами без необходимости замены уплотнителей и продемонстрировали высокую надежность, успешно прошед испытания в более 20 миллионов рабочих циклов. Замена электромагнитов осуществляется просто, исключая возможность утечки масла. Компактный и высокоэффективный дизайн совместим с плитами Vickers®System Stak™, что гарантирует надежную работу при расходах до 120 л/мин и давлениях до 350 бар, предоставляя дизайнерам и инженерам новые опции для выбора клапанов. Модели обеспечивают как высокоэффективные, так и стандартные характеристики. Эта разработка основана на многолетнем опыте компании Eaton, одного из мировых лидеров по производству клапанов размера 03, и предлагает проектировщикам возможность подбора наиболее эффективных систем для специфических приложений. Интерфейс распределителей полностью соответствует международным стандартам, а установочная поверхность клапана удовлетворяет требованиям ISO 4401 размера 03 и другим совместимым стандартам, благодаря оптимизации конструкции клапана, золотника и его перемещения, что в конечном итоге приводит к улучшению общей эффективности.
Промышленный дизайн пружины и характеристики DC электромагнита обеспечивают надежное срабатывание золотника даже в сложных условиях, что гарантирует стабильную работу при включении и отключении механизма. Для удобства эксплуатации предусмотрен ручной дублирующий механизм с защитой от повреждений. Уплотнительное устройство, расположенное внутри, предотвращает утечку и повреждения при активации механизма, исключая загрязнение рабочей среды. Небольшой диаметр гнезда ручного дублирования снижает риск случайного срабатывания.
Говоря об удобстве эксплуатации, следует отметить, что конструкция с сухим якорем электромагнита и поворачивающимся сердечником позволяет без риска утечки масла и загрязнения рабочей среды демонтировать клапан с устанавливаемой поверхности. Однако важно учитывать некоторые эксплуатационные особенности: в зависимости от применения и системы фильтрации золотник, находящийся под напряжением длительное время, может застрять или не сработать сразу из-за накопления абразивных частиц. Чтобы избежать данной проблемы, может понадобиться периодическое переключение. Также следует учитывать, что колебания рабочей жидкости в общем сливном канале нескольких клапанов могут достигать высоких значений, что потенциально может привести к непроизвольному срабатыванию этих клапанов.