Гидрораспределитель DKS 1631-X… ATOS
✓ Сертифицированное оборудование
✓ Гарантия надежной эксплуатации
✓ Контроль качества на каждом этапе
✓ Современное оборудование
✓ Быстрая отгрузка
Основные технические данные
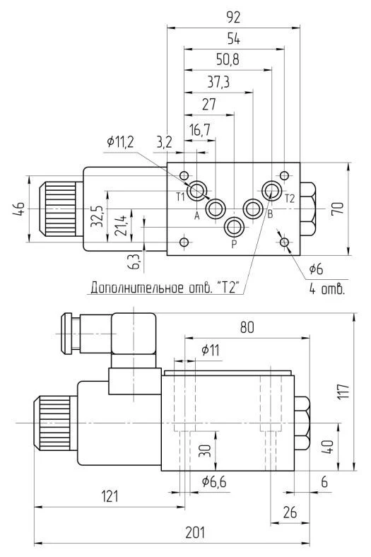
Условный проход : 10мм
Рабочее давление: 35МПа
Пропускная способность: 120л.
Напряжение: 12DC, 24DC, 110AC, 220AC
Тип монтажа: модульный (стыковой, плиточный)
Масса : 4,5 кг с одним эл.магнитом, 6,1 кг - с двумя эл.магнитами
Схема распределения потока рабочей жидкости:


Электромагнитные распределители золотникового типа с прямым действием предлагаются в двух версиях: базовая версия DKE/DKS с обычными электромагнитами и версия DKER с улучшенными характеристиками, оснащённая электромагнитами повышенного усилия, которые сертифицированы по стандарту C UR US в Северной Америке. Эти распределители могут быть выполнены в конфигурации с тремя или четырьмя линиями и могут иметь два или три положения золотника. Золотники взаимозаменяемы и доступны в разнообразных конфигурациях. Электромагниты представлены в двух вариантах для питания переменным и постоянным током: с вворачиваемой направляющей «мокрого» типа, в которой имеется кнопка для ручного управления (различия в направляющей зависят от типа питания) и катушки для переменного и постоянного тока. Катушки легко заменяются без использования инструментов и совместимы с разными источниками питания, но не могут быть взаимозаменяемы между моделями DKE/DKS и DKER. Они полностью защищены по классам температур: класс Н для катушек постоянного тока и класс F для катушек переменного тока. Корпус распределителя выполнен в пятkamerном исполнении для всех версий постоянного тока и для версий переменного тока с опцией /F*, тогда как стандартная версия для переменного тока имеет трёхкамерный корпус. Оптимизированные внутренние каналы, расположенные значительно от центра, способствуют снижению давления потерь. Для моделей DKE/DKS и DKER доступны следующие дополнительные функции: удлинитель для ручного управления с резиновой кнопкой, позволяющий облегчить переключение вручную, устройства для регулирования времени переключения, контроль положения золотника для обеспечения безопасности и внешний дренаж по каналу Y, предназначенный для условий высокого давления в резервуаре (только для версий постоянного тока). Монтажная поверхность соответствует стандарту ISO 4401 размером 10, максимальный расход достигает 120 л/мин. Электромагнит может быть установлен со стороны канала B (только для одномагнитных распределителей),тогда как в стандартных версиях он размещается со стороны канала A. Ручное управление осуществляется при помощи резиновой кнопки. Параметры L, L1, L2, L3, LR относятся к устройствам для регулирования времени переключения (доступно только для электромагнитов постоянного тока). Конструкция с пятью камерами предназначена для версий постоянного и переменного тока с датчиком переключения для контроля положения золотника, как указано в таблице E110. Внешний дренаж Y доступен только для версий постоянного тока и выбирается в случаях, когда давление в канале T превышает максимально допустимый уровень. Разъёмы для электрических соединений DIN 43650 заказываются отдельно, как указано в соответствующем разделе, и разъёмы SP-666, SP-667, SP-669 являются стандартными разъёмами IP-65 для прямого соединения с источником питания.
Золотники:
- золотники типа 0/2, 1/2, 2/2 используются только для двухпозиционных распределителей: одномагнитные распределители типа DKE*-163*/2; двухмагнитные распределители типа DKE*-170*/2 и DKE*-175*/2.
- золотники типа 0 и 3 также возможны как 0/1 и 3/1 при сливе из каналов управления в бак в центральном положении.
- золотники типа 1 также возможны как 1/1, они спрофилированы таким образом, чтобы уменьшить гидроудар во время переключения.
- золотник типа 1/3 (только для версий DC),обычно используется как клапан отсечки в безопасных системах,
проконсультируйтесь с нашим техническим отделом.
- золотник типа 1/9 закрывает центр в нормальном положении, но позволяет избежать заливания каналов А и В
внутренними утечками
- прочие типы золотников возможны по заказу.
ПРЕДЕЛЫ РАБОТЫ РЕЖИМОВ для минерального масла ISO VG 46 при температуре 50°C были определены с использованием теплых электромагнитов при минимальном напряжении питания (Внорм - 10%). Графики иллюстрируют случаи симметричного потока через распределитель (то есть когда поток идет от Р к А и от В к Т). В ситуациях с несимметричным потоком, а также если распределитель оснащен механизмами для регулировки времени переключения, пределы рабочего диапазона следует уменьшить.
УСТРОЙСТВА ДЛЯ РЕГУЛИРОВКИ ВРЕМЕНИ ПЕРЕКЛЮЧЕНИЯ доступны только для распределителей версии DC с 5-камерным корпусом и могут управлять временем переключения, уменьшая нагрузку на гидравлическую систему, воздействующую на катушку. Существуют различные типы этих устройств, как показано на рисунках. Возможности управления временем переключения зависят от типа регулирующего элемента.
Устройства с обозначением L контролируют и регулируют время переключения золотника в обоих направлениях: регулирование осуществляется путем ввинчивания или вывинчивания винта (через регулирование дросселем). Модели L1, L2 и L3 управляют временем переключения в обе стороны, при этом время устанавливается фиксированным калиброванным ограничителем, отвечающим за изменение потока, с размерами ØL1 = 1,25 мм; ØL2 = 1 мм; ØL3 = 0,75 мм. Устройство LR контролирует и изменяет время переключения при движении золотника от В к А, однако не затрагивает стандартное время переключения для обратного движения от А к В. Чтобы устройство работало корректно, канал, в котором установлен регулирующий элемент, должен быть полностью заполнен маслом.