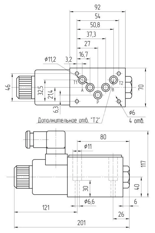
Гидрораспределитель DKU-1611-X… ATOS
✓ Сертифицированное оборудование
✓ Гарантия надежной эксплуатации
✓ Контроль качества на каждом этапе
✓ Современное оборудование
✓ Быстрая отгрузка
Основные технические данные
Условный проход : 10мм
Рабочее давление: 35МПа
Пропускная способность: 120л.
Напряжение: 12DC, 24DC, 110AC, 220AC
Тип монтажа: модульный (стыковой, плиточный)
Масса : 4,5 кг с одним эл.магнитом, 6,1 кг - с двумя эл.магнитами
Схема распределения потока рабочей жидкости:


.
Распределители DKI, DKU и DKOR представляют собой золотниковые устройства, которые могут иметь три или четыре линии, а также две или три положения и управляются непосредственно электромагнитами. Они предназначены для использования в гидравлических системах. Управа данного оборудования осуществляется при помощи "мокрых" герметичных электромагнитов, которые дополнительно имеют механическое дублирование. В данной категории электромагнитов можно выделить несколько типов: AI, которые работают как на переменном, так и на постоянном токе; AU, обладающий улучшенными показателями для постоянного тока; и AOR, с высокой производительностью на постоянном токе. Все движущиеся части устройства защищены, смазаны и находятся в масляной среде.
Процесс литья оболочки осуществляется на автоматизированных линиях с применением термической очистки. Основная конструктивная особенность устройств заключается в оптимизированных внутренних каналах, обеспечивающих значительное проходное сечение для канала слива, что позволяет минимизировать потери давления. Уникальные конфигурации заменяемого золотника доступны в большом ассортименте. Распределители классов DKU и DKOR могут быть оснащены специальными механизмами, позволяющими регулировать время переключения. Стандартные электрические и электронные разъемы полностью отвечают современным требованиям к характеристикам электрических цепей, а катушки имеют полную герметизацию.
На распределителях типов DKI и DKU возможна быстрая замена катушек без использования инструментов. Графические данные были собраны на теплых электромагнитах при минимальном уровне напряжения питания (-10%). Кривые отражают симметричный поток через распределитель (например, P→A и B→T),а также случаи несимметричного потока, когда распределитель оборудован устройствами, способными изменять время переключения. Указанные устройства применяются исключительно в распределителях DKU и DKOR, которые не являются совместимыми с разъемами E-SA или E-SE. Они предназначены для регулировки времени переключения и предотвращения гидравлических ударов.
Работа устройства зависит от типа управляющего элемента. Например, элемент L отвечает за контроль и изменение времени переключения в обе стороны, осуществляя регулировку при помощи винта (дросселирование). Элементы L1, L2 и L3 регулируют время переключения в обе стороны с фиксированными значениями — например, L1 равен 1,25 мм, L2 — 1 мм, а L3 — 0,75 мм. Элемент LR управляет и корректирует время переключения при движении золотника в направлении b→a, однако он не влияет на обратное переключение a→b. В тех случаях, когда требуется обеспечить плавный переход, рекомендуется использовать специальные золотники (1/1, 4/8, 5/1),которые имеют специально разработанные профили, устраняющие гидравлические удары. Для нормального функционирования устройства необходимо, чтобы канал, в который установлен регулирующий элемент, был полностью заполнен маслом.