Гидрораспределитель E-3SEH10C60/420-6LG24 NETS3K4T Rexroth
✓ Сертифицированное оборудование
✓ Гарантия надежной эксплуатации
✓ Контроль качества на каждом этапе
✓ Современное оборудование
✓ Быстрая отгрузка
Технические характеристики распределителя :
Условный проход : 6мм
Рабочее давление: 20МПа
Пропускная способность: 25л.
Масса : 1,5 кг
Схема распределения потока рабочей жидкости:


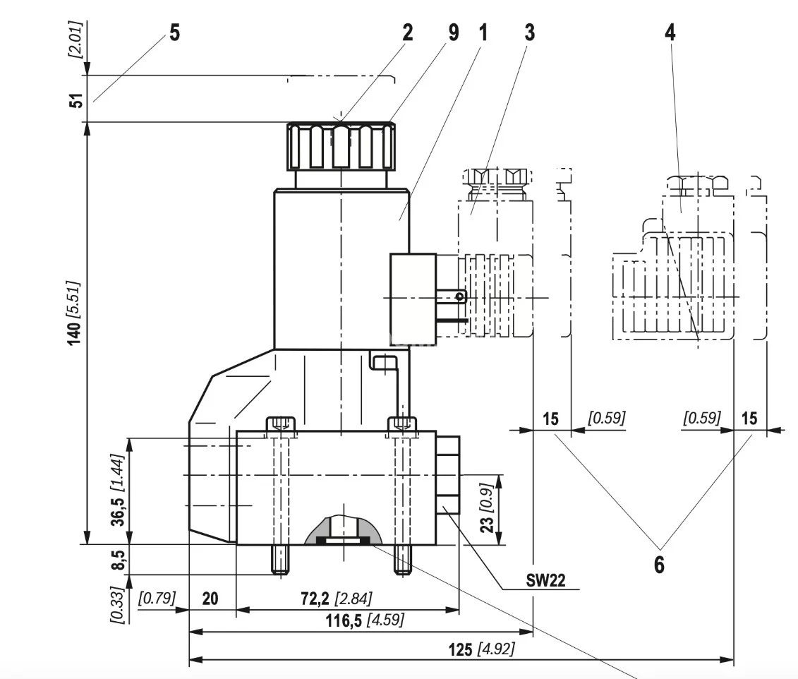
Распределители клапанного типа с прямым действием и электромагнитным управлением имеют обозначение типа SEН10 и могут быть выполнены в вариантах 2/2-, 3/2- или 4/2-ходового исполнения. Присоединения расположены в соответствии с нормами DIN 24340, форма A, а также ISO 4401-03-02-0-05 и стандартом NFPA T3.5.1 R2-2002 D03.
Электромагниты работают под давлением и используют постоянный ток с возможностью съема катушки, которая может поворачиваться на 90 градусов. Замена катушки не требует вскрытия герметичной полости, а электрическое подключение осуществляется через отдельный разъем. При необходимости имеется ручное дублирование, также доступны индуктивные концевые выключатели и бесконтактные настраиваемые датчики положения.
Распределитель типа SEН10 представляет собой устройство, которое контролирует запуск, остановку и направление потока. Он состоит из корпуса, электромагнита, закаленной клапанной системы и шарика или поршня в качестве запорных элементов.
В исходном положении шарик или поршень прижимается пружиной к седлу, а при активации электромагнита он перемещается под его воздействием через угловой рычаг на приводной толкатель, который плотно уплотнен с обеих сторон. Пространство между уплотнительными элементами соединяется с входом P, что позволяет сбалансировать давление в клапанной системе. Данные клапаны могут функционировать при давлениях до 630 бар.