Гидрораспределитель RPE3-063Z11/024-00-E1K2 ARGO HYTOS
✓ Сертифицированное оборудование
✓ Гарантия надежной эксплуатации
✓ Контроль качества на каждом этапе
✓ Современное оборудование
✓ Быстрая отгрузка
Основные технические данные
Условный проход : 6мм
Рабочее давление: 35МПа
Пропускная способность: 60л.
Напряжение: 12в., 24в., 110в., 220в., 380в.
Тип монтажа: модульный (стыковой, плиточный)
Масса : 1,45 кг с одним эл.магнитом, 1,95 кг - с двумя эл.магнитами
Схема распределения потока рабочей жидкости:


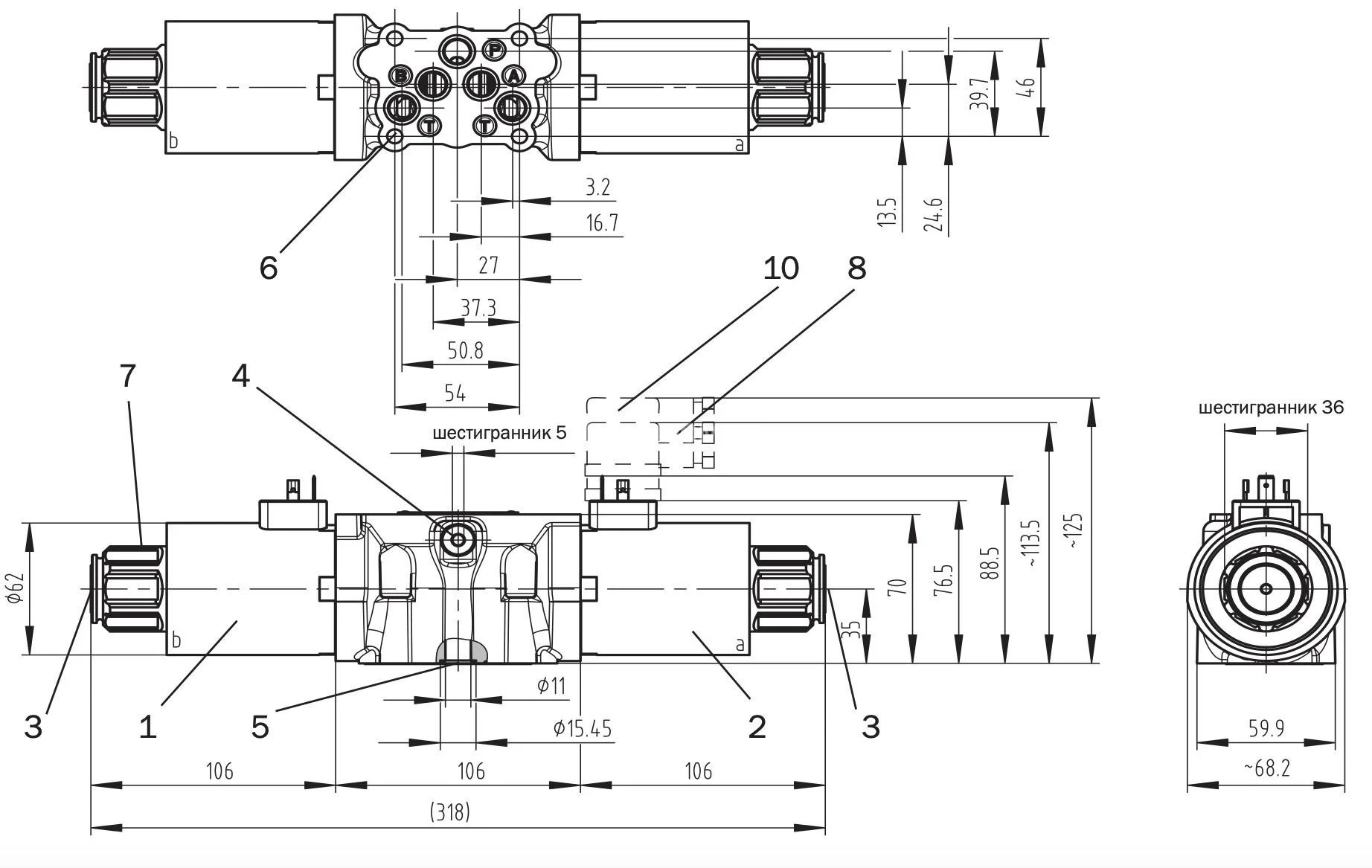
Распределители RPE4-10 состоят из корпуса , управляющего золотника , пружин и рабочих соленоидов.
3-позиционные распределители оснащены двумя соленоидами и двумя пружинами. 2-позиционные распределители снабжены одним соленоидом и одной пружиной.
Рабочие соленоиды являются соленоидами постоянного тока, и питание к ним подается через разъемы без выпрямителей. Для питания переменным током соленоиды оснащаются выпрямителями, которые встроены напрямую в разъемы или в катушку.
Ослабив крепежную гайку , соленоид можно поворачивать вокруг своей оси на 90° и закреплять в трех положениях.
Золотник гидрораспределителя можно перемещать с помощью перехода на ручное управление , при условии, что давление в канале Т не превышает 25 бар.
Базовое покрытие корпуса гидрораспределителя - фосфатирование, покрытие рабочих соленоидов - цинкование.
Зависимость давления от расхода
Замеряются при v = 32 мм//с и t = 40 °C
Эксплуатационные ограничения максимальной гидравлической мощности, передаваемой золотником. Соотвествующий тип золотника см. в функциональных обозначениях. Кривые мощности относятся к симметричным потокам гидрораспределителя (например, потоки в направлениях Р-А и В-Т идентичны). При асимметричных потоках кривые мощности могут располагаться значительно ниже. В таких случаях рекомендуется проконсультироваться с производителем по поводу соотвествующей кривой мощности.