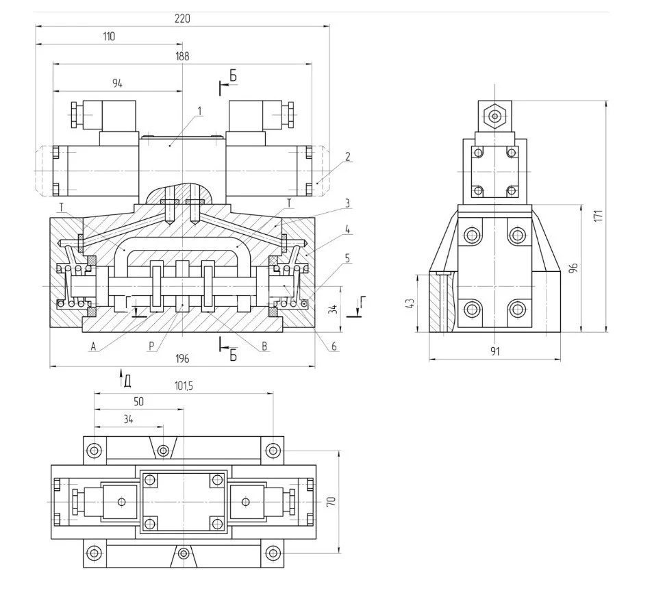
Гидрораспределитель РПГ16/3СЕ574ОФ
✓ Сертифицированное оборудование
✓ Гарантия надежной эксплуатации
✓ Контроль качества на каждом этапе
✓ Современное оборудование
✓ Быстрая отгрузка
Основные технические данные
Условный проход : 16мм
Рабочее давление: 25МПа
Пропускная способность: 160-200л.
Напряжение: 24в., 110в., 220в.
Тип монтажа: модульный (стыковой, плиточный)
Масса : не более 16,5 кг
Схема распределения потока рабочей жидкости:

![]() |
|||||
|---|---|---|---|---|---|
Гидрораспределитель РПГ 16/3 СЕ574ОФ относится к категории внутреннего управляющего оборудования, которое предназначено для правильного распределения потоков рабочей жидкости в определенной гидросистеме. Это достигается за счёт перекрытия или открытия отдельных линий подачи в ответ на внешние воздействия, направляемые на распределитель. Таким образом, в необходимые моменты обеспечивается отделённый доступ жидкости к различным компонентам и агрегатам гидросистемы, что, в свою очередь, гарантирует её стабильное функционирование.
Каждый из элементов модели РПГ 16/3 СЕ574ОФ, включая запирающие, управляющие и соединительные элементы, был протестирован на работоспособность в заводских условиях. Кроме того, гидравлический распределитель в сборе прошёл стендовые испытания и соответствует всем техническим требованиям, установленным для гидрооборудования данного типа.
