Гидрораспределитель РПГ8/2СЕ574С (54БПГ73-11)
✓ Сертифицированное оборудование
✓ Гарантия надежной эксплуатации
✓ Контроль качества на каждом этапе
✓ Современное оборудование
✓ Быстрая отгрузка
Основные технические данные
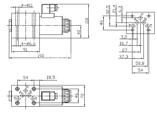
Условный проход : 8мм
Рабочее давление: 20МПа
Пропускная способность: 8 л.
Напряжение: 36в., 110в., 220в,380в.
Тип монтажа: модульный (стыковой, плиточный)
Масса : не более 2,4 кг
Схема распределения потока рабочей жидкости:


Гидрораспределители РПГ 8/2 СЕ574С (54БПГ73-11 представляют собой золотниковые пятилинейные устройства с электромагнитным управлением, которое позволяет контролировать расположение золотника. Эти распределители регулируют направление потока рабочей жидкости, включая переключение потоков, их запуск и остановку, в соответствии с установленной схемой работы, определяемой ГОСТ 24679-81. Наибольшее применение модели РПГ 8/2 СЕ574С (54БПГ73-11 нашли в системах гидравлических приводов станков, прессов и других машин.
Кроме того, эти распределители могут функционировать как пилотные элементы в гидравлических распределителях с электрогидравлическим управлением. Существуют и альтернативные названия для гидрораспределителей РПГ 8/2 СЕ574С (54БПГ73-11, среди которых "золотник переливной РПГ 8/2 СЕ574С (54БПГ73-11.
Изначально распределители РПГ 8/2 СЕ574С (54БПГ73-11 производились на территории Болгарии на заводе «Хидравлика», однако сейчас их производство прекращено, и их заменяют распределители типа ВЕ6 с переходной плитой В6-7311. Аналогом РПГ 8/2 СЕ574С (54БПГ73-11 служит гидрораспределитель ВЕ6.574А с такой же переходной плитой.
Структура условного обозначения распределителей типа РПГ 8/2 СЕ574С (54БПГ73-11 предполагает управление золотником путем подачи напряжения на электромагнит. Это создает магнитное поле, которое воздействует на золотник через толкатель, что в свою очередь позволяет направлять поток масла в необходимое направление, например, от P к A и от B к T или же от P к B и от A к T. После отключения питания электромагнита пружина возвращает золотник в исходное положение.
Двухпозиционные гидрораспределители РПГ 8/2 СЕ574С (54БПГ73-111 могут обладать функцией фиксации золотника в крайних положениях, что позволяет избежать длительной работы электромагнита под напряжением после его перемещения. Если такая фиксация отсутствует, золотник возвращается в исходную позицию под действием пружины, как и в трехпозиционных схемах.
Дренаж утечек рабочей жидкости из торцевых полостей золотника реализуется через специальное дренажное отверстие. Гидрораспределители 54БПГ73-11 и 55БПГ73-11 имеют одностороннее электромагнитное управление и пружинный механизм возврата золотника в начальное положение. Наиболее часто для станочного оборудования используются электромагниты, работающие от сети 220 и 110 вольт переменного тока, в то время как в мобильной технике применяются устройства на 24 и 12 вольт постоянного тока.
При заказе этих распределителей необходимо указывать напряжение в маркировке: например, 54БПГ73-11 В110 (допускается написание 54БПГ73-11.110). Также аналог распределителя 54БПГ73-11 — это ВЕ6.574А с переходной плитой В6-73-11.
В своих гидравлических распределителях 24ПГ73-11 и 25ПГ73-11 золотник перемещается с помощью электромагнитов и пружин, которые центрируют золотник при отключении: для станочных систем применяются электромагниты на 220В/110В переменного тока, а в мобильной технике — на 12В/24В постоянного тока. Напряжение указывается в маркировке: 24-ПГ73-11 В220 (допускается также 24ПГ73-11.220).
В распределителях 44ПГ73-11 и 45ПГ73-11 управление золотником осуществляется через два электромагнита и пружины, которые центрируют золотник при отключении питания. Для станочного оборудования используются электромагниты на 220В / 110В переменного тока, а для мобильной техники — на 12В / 24В постоянного тока. Газировка напряжения также указывается в конце маркировки: 44ПГ73-11 В220 (допускается 44ПГ73-11.220).
Так же, как и в предыдущих моделях, в 64ПГ73-11 и 65ПГ73-11 управление золотником зависит от двух электромагнитов и пружин, которые центрируют золотник при отключении питания. Эти же параметры характерны и для гидрораспределителей 54ПГ73-11 и 55ПГ73-11. Что касается конструкции, то в отличие от двухпозиционных распределителей 54БПГ73-11 и 55БПГ73-11, где золотник центрируется пружиной, в модели 54ПГ73-11 (или 55ПГ73-11) пружинный возврат отсутствует, и перемещение золотника осуществляется двумя электромагнитами.
В 54ПГ73-11 (и 55ПГ73-11) существует возможность фиксации золотника в крайних положениях, что избавляет от необходимости держать электромагниты под напряжением длительное время.