Гидрораспределитель ВЕ10.573Е
✓ Сертифицированное оборудование
✓ Гарантия надежной эксплуатации
✓ Контроль качества на каждом этапе
✓ Современное оборудование
✓ Быстрая отгрузка
Основные технические данные
Условный проход : 10мм
Рабочее давление: 32МПа
Пропускная способность: 100-120л.
Напряжение: 24в., 110в., 220в.
Тип монтажа: модульный (стыковой, плиточный)
Масса : 4,8 кг с одним эл.магнитом, 6,1 кг - с двумя эл.магнитами
Схема распределения потока рабочей жидкости:


Конструкция золотникового устройства гидрораспределителей с любым типом управления имеет принципиально одинаковую основу. Главной частью гидрораспределителя является пятиканавачный корпус, в котором размещены основные каналы: "р" — отверстие для входа рабочей жидкости под давлением, "А" и "В" — соединительные отверстия для подключения к другим гидросистемам, и "Т" — отверстие для выхода рабочей жидкости в бак. Полости "т" внутри конструкции связаны между собой. В центральном отверстии корпуса диаметром 16 мм расположен золотник, который приводится в движение через толкатели, относящиеся к узлу управления. В зависимости от типа управления этот узел может включать в себя электромагнит (где используется как переменный, так и постоянный ток),гидропривод, пневмопривод или механические элементы управления, такие как рукоятка и ролик. Ход золотника составляет 3,2 мм, за исключением гидрораспределителей BMM 10.574/0Ф... ВММ 10.574А/ОФ, у которых ход равен 6,4 мм.
Различные исполнения гидрораспределителей могут иметь узел управления, закрепленный с одного или двух торцев корпуса. Электромагнит гидрораспределителя оснащен аварийной канавкой, которая позволяет перемещать золотник в отключенном состоянии электромагнита. Гидрораспределители могут быть трехпозиционными и двухпозиционными, в зависимости от числа положений золотника. Гидрораспределители с электромагнитным, гидравлическим и пневматическим управлением располагают двумя узлами управления, за исключением моделей с пружинным возвратом, таких как схемы распределения 573, 573E, 574, 574А и 574Е, у которых установлен один узел управления. В случае схем 573Е и 574Е узел управления находится ближе к отверстию "8", тогда как для остальных схем он расположен возле отверстия "А".
Чтобы облегчить процесс монтажа, гидрораспределители могут оснащаться присоединительными плитами. Кроме того, для ограничения потока рабочей жидкости в отверстие "р" можно установить днефрарну. При приложении управляющего усилия к золотнику он перемещается из исходной позиции в одну из крайних, в результате чего отверстие для входа рабочей жидкости соединяется с другими отверстиями согласно установленной схеме распределения. После снятия управляющего усилия золотник возвращается в исходное положение или остается в новом, в зависимости от конструкции устройства.
Для трехпозиционных гидрораспределителей золотник устанавливается в исходную (среднюю) позицию после снятия управляющего усилия благодаря действиям двух центрирующих пружин — это называется пружинным возвратом. В моделях с фиксацией золотника в трех положениях используется рукоятка. В двухпозиционных устройствах золотник, который может быть возвратным или фиксированным, устанавливается в крайнюю позицию благодаря пружине или узлу управления. При активации левого узла управления или движении рукоятки влево золотник сдвигается вправо, что вызывает соответствие потока позиции "а", тогда как при активации правого узла управления поток переходит в позицию "в".
Для схем 573 и 573Е отверстие "Т" служит для отвода утечек рабочей жидкости. Перед началом работы двухпозиционных гидрораспределителей с фиксированным золотником важно удостовериться, что золотник находится в исходной позиции. Для этого рекомендуется однократно включить правый узел управления или отвести рукоятку вправо до упора, чтобы достичь позиции "а". Для трехпозиционных устройств с ролевым управлением требуется переместить золотник на величину хода 3,2 мм для достижения необходимого положения. В двухпозиционных устройствах с рукояткой начальное положение обозначено как "0".
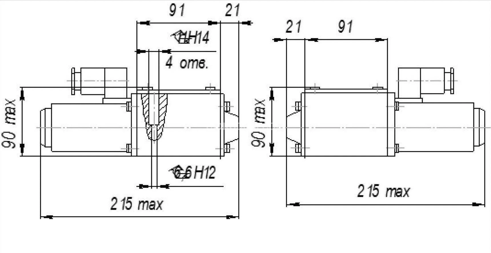
Перед установкой гидрораспределителя его необходимо расконсервировать: это включает в себя очистку стыковой поверхности и подводных отверстий с помощью чистых салфеток, смоченных уайт-спиритом. Установка производится нижней (стыковой) плоскостью на машинную панель или промежуточную плиту с соблюдением всех необходимых требований, таких как уплотнение и уровень шероховатости монтажной поверхности. Крепление осуществляется с помощью винтов высокой прочности. Для гидрораспределителей без пружинного возврата допускается только горизонтальная установка, тогда как другие конструкции могут монтироваться в любом положении, предпочтительно горизонтально. Не следует допускать утечки масла и подсоса воздуха в системе. Перед упаковкой гидрораспределителя необходимо снять штепсельный разъем и установить крышку, а перед эксплуатацией — наоборот. Момент затяжки винтов для крепления к монтажной плите составляет 13*2 Н·м.