Гидрораспределитель ВЕ6.574А
✓ Сертифицированное оборудование
✓ Гарантия надежной эксплуатации
✓ Контроль качества на каждом этапе
✓ Современное оборудование
✓ Быстрая отгрузка
Основные технические данные
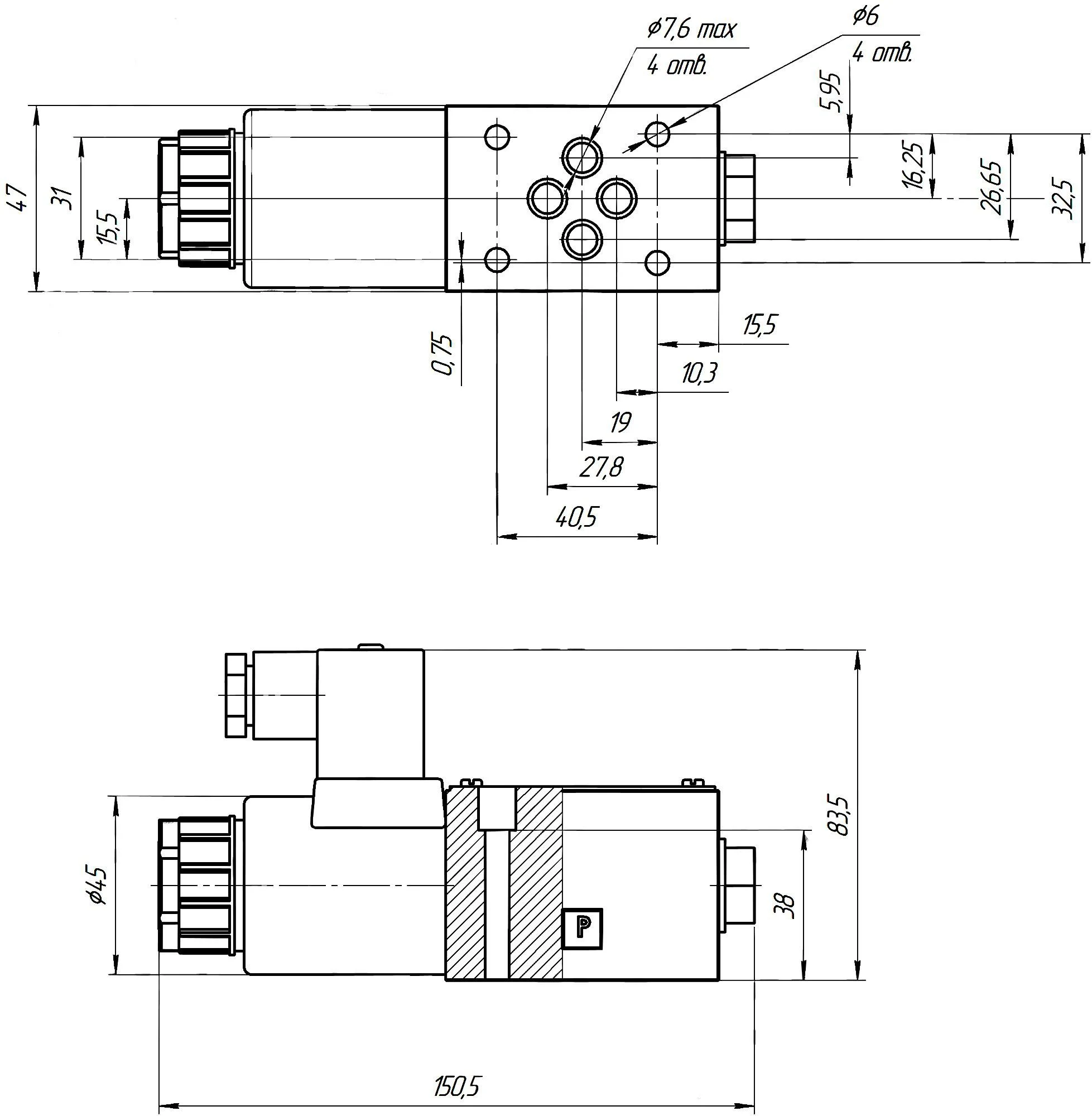
Условный проход : 6мм
Рабочее давление: 32МПа
Пропускная способность: 40л.
Напряжение: 12в., 24в., 110в., 220в., 380в.
Тип монтажа: модульный (стыковой, плиточный)
Масса : 1,45 кг с одним эл.магнитом, 1,95 кг - с двумя эл.магнитами
Схема распределения потока рабочей жидкости:


1. Основные сведения о продукте.
1.1. Гидрораспределитель модели В6 предназначен для регулировки направления потока рабочей жидкости, а также для его запуска и остановки в гидравлических системах различных станков, прессов и других стационарных устройств, работающих при давлении до 32 МПа.
1.2. Этот гидрораспределитель может использовать различные схемы распределения потока рабочей жидкости, а также различные типы управления.
1.3. Гидрораспределители предназначены для работы на минеральных маслах с кинематической вязкостью в диапазоне от 10 до 400 мм/с. Рекомендуется использовать масла ИГП-18, ИГП-30, ИГ11-38, 1Y38-101.413-78, ВНИИ НП-403 по стандарту ГОСТ 16728-78, ИГНСп-20 по техническим условиям ТУ38-101.798-79 и другие масла с похожими характеристиками при температуре рабочей жидкости от +1°С до +50°C. Также допускается использование рабочей жидкости «Промгидрол» П-20М-1 и П-20М-2 по техническим условиям ТУ6-02-1140-87 при тех же температурных условиях. Важно, чтобы рабочая жидкость имела чистоту не ниже 13-го класса по стандарту ГОСТ 17216-71, что достигается с помощью фильтров с номинальной тонкостью фильтрации не больше 25 мкм. Температура окружающей среды для моделей УХЛ4 и 04 должна составлять от +1°С до +55°С.
1.4. Климатические условия эксплуатации гидрораспределителя соответствуют категории размещения согласно ГОСТ 15150-69: ХЛ4 и 04, предназначены для тропических районов.
1.5. Условное обозначение гидрораспределителя включает закрепленные характеристики. Например, гидрораспределитель В6 с электромагнитным управлением, схемой распределения потока 574 А, без пружинного возврата золотника, с электромагнитом для переменного тока на напряжении 220 В и частотой 50 Гц, с кнопкой управления, предполагает использование в умеренном климате с категорией размещения 4: гидрораспределитель обозначается как 574А/ОФВ220НУХЛ4.
2. Основные технические параметры и характеристики.
2.1. Основные технические характеристики гидрораспределителя в работе с чистым индустриальным маслом ИГП-30 по ТУ-38-101-413-73 должны соответствовать указанным данным при вязкости от 30 до 35 мм²/с (сСт).
3. Структура, устройство и функционирование гидрораспределителя и его компонентов.
3.1. Общее описание конструкции.
Конструкция всех типов гидрораспределителей аналогична. Основным элементом является корпус с пятью каналами, в котором расположены ключевые отверстия: окрестности "Р" для входа рабочей жидкости под давлением, "А" и "В" для подключения к другим гидроустройствам и "Т" для слива рабочей жидкости в бак. Полости внутри соединены между собой. В центральной части корпуса диаметром 10 мм размещен золотник, который активируется через толкатель управляющим узлом, который может быть представлен в виде герметичного маслонаполненного электромагнита (как переменного, так и постоянного тока),гидропривода, пневмопривода, рукоятки, ролика или шарика. Ход золотника составляет 2,5 мм, за исключением моделей BMM6. 574.0..., BMM6. 574A.0..., BMM6. 574.4Ф..., BMM6. 574А.ОФ..., где ход составляет 5 мм. Узел управления может быть установлен на одном или обоих торцах корпуса в зависимости от модели гидрораспределителя. Электромагнит, используемый в распределителе, может иметь аварийную кнопку, позволяющую перемещать золотник в отключенном состоянии. При электрическом управлении вывод проводов можно осуществлять в четырех направлениях относительно первоначального положения угольника; для этого достаточно снять угольник с колодкой, отсоединить его и установить в нужное положение. Гидрораспределитель может быть как трехпозиционным, имеющим три рабочих положения золотника, так и двухпозиционным с двумя рабочими положениями. Модели с электромагнитным, гидравлическим и пневматическим управлением имеют два узла управления, в то время как модели с пружинным возвратом золотника (схемы 573, 573Е, 574, 574А и 574E) располагают лишь одним узлом управления, установленным со стороны отверстия В для схем 573Е и со стороны отверстия А для других схем. Для удобства установки гидрораспределитель можно оснастить присоединительной плитой.
3.2. Принцип работы гидрораспределителя.
3.2.1. При действии управляющего усилия на золотник он перемещается из своей исходной позиции в одну из крайних позиций, при этом входное отверстие рабочей жидкости соединяется с соответствующими отверстиями в соответствии с заданной схемой распределения потока. После снятия управляющего усилия золотник возвращается в исходную позицию или остается в новом положении в зависимости от конструкции устройства. В трехпозиционном гидрораспределителе золотник возвращается в исходную (серединную) позицию после снятия управляющего усилия с помощью двух центрирующих пружин или одной пружины (в случае управления от рукоятки); в моделях с фиксированным положением золотника в трёх позициях управление осуществляется рукояткой. Для трехпозиционного распределителя с механическим управлением золотник устанавливается в исходную (серединную) позицию посредством кулачка или копира. В двухпозиционном распределителе пружина обеспечивает возврат золотника в исходную (крайнюю) позицию, а в моделях без пружинного возврата и с фиксированным положением — с помощью одного из управляющих узлов.
3.2.2. Включение левого управляющего узла (со стороны отверстия А) или перемещение рукоятки влево (от отверстия А) приводит к перемещению золотника вправо (к отверстию В),при этом распределение потока соответствует позиции «а». Включение правого узла управления (со стороны отверстия В) или перемещение рукоятки вправо (к отверстию В) соответствует позиции «в». Для схем 573 и 573Е выходное отверстие рабочей жидкости «Т» предназначено для отвода утечек.
3.2.3. Перед запуском двухпозиционного гидрораспределителя без возврата с фиксацией золотника необходимо проверить положение золотника в корпусе. Чтобы убедиться, что он стоит в исходной позиции схемы распределения потока (позиции «в»),достаточно один раз включить правый управляющий узел (со стороны отверстия В) или отвести рукоятку вправо до упора.
3.2.4. Для трехпозиционного гидрораспределителя с механическим управлением перед началом работы стоит убедиться, что золотник находится в крайнем положении «в», и для перевода его в исходное рабочее (серединное) положение нужно переместить золотник с помощью кулачка или копира на 2,5 мм.
4. Порядок установки.
4.1. установкой гидрораспределитель подвергается расконсервации. Для этого необходимо стыковую поверхность и подводные отверстия протереть чистыми салфетками, смоченными уайт-спиритом.
4.2. Гидрораспределитель монтируется стыковой костью, уплотненной резиновыми кольцами, на панель или промежуточную плиту.
Монтажная поверхность панели должна иметь шероховатость Ра <1,25 мкм и отклонение от плоскостности не более 0,01 мм на длине 100 мм.
4.3. Крепление гидрораспределителя должно производиться четырьмя винтами М5 из сталей с в ≥ 980 МПа (100 кгс/мм2)
4.4. Положение при монтаже для гидрораспределителя без пружинного возврата и с фиксацией золотника только горизонтальное, для других исполнений-любое, но предпоч. тительнее горизонтальное.
4.5. Монтаж гидрораспределителей и всех трубопроводов не должен допускать наружную течь масла и подсос воздуха.
4.6. При транспортировании гидрораспределителя штепсельный разъем снять и на его место установить крышку.
Перед эксплуатацией гидрораспределителя необходимо снять крышку и на ее место установить штепсельный разъем.