Гидрораспределитель ВХ16.14
✓ Сертифицированное оборудование
✓ Гарантия надежной эксплуатации
✓ Контроль качества на каждом этапе
✓ Современное оборудование
✓ Быстрая отгрузка
Основные технические данные
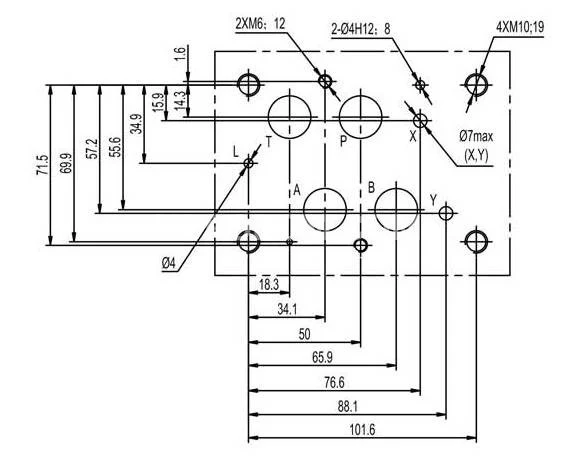
Условный проход : 16мм
Рабочее давление: 32МПа
Пропускная способность: 90-240л.
Тип монтажа: модульный (стыковой, плиточный)
Масса : 15 кг
Схема распределения потока рабочей жидкости:


Гидрораспределители моделей ВХ16_14Г24, ВХ16_14В110 и ВХ16_14В220 представляют собой золотниковые четырехлинейные устройства с электрогидравлическим управлением. Эти распределители имеют условный проход Ду-16 мм и способ распределения потоков рабочей жидкости, обозначенный как 14 (подробности см. в таблице ниже). Они предназначены для управления направлением, запуском и остановкой рабочей жидкости в гидравлических системах.
Электрогидравлическое управление характерно для распределителей модели BX16. Конструкция распределителей ВХ16-14.Г24, ВХ16-14.В110 и ВХ16-14.В220 включает корпус, золотник, крышки, пружины и пилоты с Ду-6 мм. Схема распределения жидкости у электромагнитного пилота может не совпадать со схемой гидрораспределителей ВХ16.
Структура обозначения моделей гидрораспределителей выглядит следующим образом: ВХ16.14.Г24, ВХ16.14.Г12, ВХ16.14.В110 и ВХ16.14.В220.