Гидрораспределитель ВММ16.44 (FS-04-3C2-50 SPRINGS)
✓ Сертифицированное оборудование
✓ Гарантия надежной эксплуатации
✓ Контроль качества на каждом этапе
✓ Современное оборудование
✓ Быстрая отгрузка
Основные технические данные
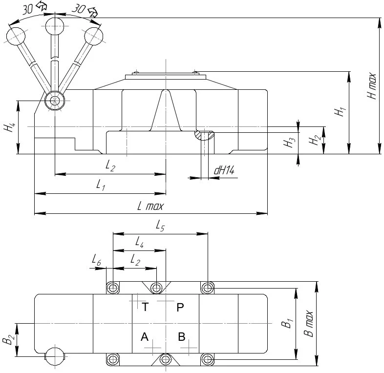
Условный проход : 16мм
Рабочее давление: 25МПа
Пропускная способность: 80-125л.
Тип монтажа: модульный (стыковой, плиточный)
Масса : 22 кг
Схема распределения потока рабочей жидкости:


Направляющий распределитель с ручным управлением — это направляющий распределитель, при управлении ручкой золотник перемещается в осевом направлении для переключения масляного контура.
Направляющий распределитель с ручным управлением и направляющий распределитель с электрическим управлением играют одну и ту же роль в гидравлической системе. Простота эксплуатации, надежная работа и отсутствие необходимости в электричестве.
Принцип работы гидрораспределителей HOYEA основан на перемещении золотников. Золотник — это подвижный элемент внутри распределителя, который направляет поток жидкости в различные порты. Гидрораспределитель может быть односторонним или двусторонним, в зависимости от количества электромагнитов и необходимости маневрирования жидкости в разные стороны. Движение золотника осуществляется под действием электрического тока, который подается на катушки управления. При этом ток создает магнитное поле, что приводит к перемещению золотника в одну из рабочих позиций, открывая соответствующие каналы. При отключении тока золотник может возвращаться в нейтральное положение под действием возвратной пружины.
Этот тип распределителя позволяет оператору вручную контролировать направление потока масла, перемещая золотник посредством ручки, расположенной на корпусе устройства.
В процессе работы механизма, когда оператор поворачивает или тянет ручку, золотник перемещается в осевом направлении. Это приводит к изменению конфигурации внутренних каналов распределителя, открывая или закрывая определенные пути для прохождения масла. Таким образом, оператор может переключаться между различными гидравлическими контурами, например, активируя один контур для работы устройства, а затем перекрывать его, переводя масло на другой контур, который может, например, быть подключен к рабочему цилиндру или гидромотору.
Такое ручное управление обеспечивает высокий уровень контроля и отзывчивости, что критично в условиях, когда точное регулирование потоков и давлений является обязательным. Направляющие распределители с ручным управлением могут использоваться в различных сценариях, включая сельскохозяйственные машины, строительную технику и в системах автоматизации, где требуется простота, надежность и возможность быстрого реагирования на изменения в рабочем процессе.
Конструкция этих распределителей обычно достаточно проста, что облегчает их обслуживание и ремонт. Их компоненты, такие как весна и золотник, могут быть легко заменены в случае износа или повреждения. Кроме того, такой распределитель может включать возможность регулировки давления или потока, что дополнительно расширяет его функционал и применимость в гидравлических системах разного назначения.
Важно отметить, что легкость в управлении и непосредственное взаимодействие оператора с системой делают направляющие распределители с ручным управлением предпочтительным выбором в задачах, требующих тщательной настройки и быстрого переключения между различными режимами работы. Несмотря на свою простоту, они остаются эффективным инструментом в гидравлической технологии.