Гидрораспределитель ВМР6.574
✓ Сертифицированное оборудование
✓ Гарантия надежной эксплуатации
✓ Контроль качества на каждом этапе
✓ Современное оборудование
✓ Быстрая отгрузка
Основные технические данные
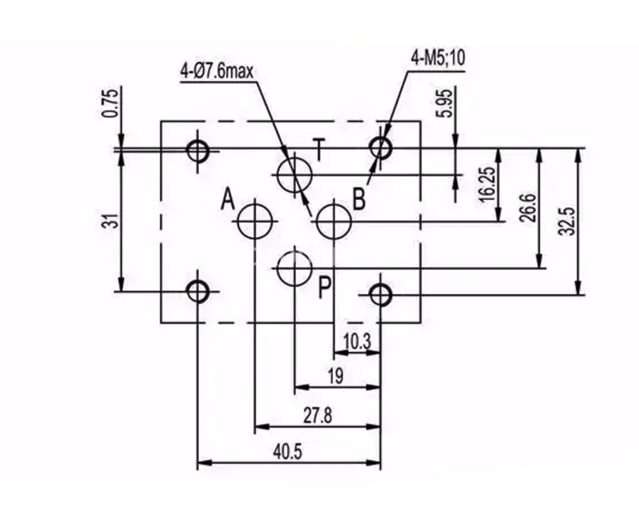
Условный проход : 6мм
Рабочее давление: 32МПа
Пропускная способность: 20л.
Тип монтажа: модульный (стыковой, плиточный)
Масса : 1,5 кг
Схема распределения потока рабочей жидкости:


Гидрораспределители с механическим управлением типа 1РМР и ВМР предназначены для изменения направления, а также для запуска и остановки потока рабочей жидкости в гидравлических системах с рабочим давлением до 32 МПа. Эти устройства эффективно управляют потоками в гидравлическом оборудовании, обеспечивая стабильную работу и высокую эффективность.
Гидрораспределители типа ВМР относятся к золотниковым распределителям, что означает, что они используют золотник для переключения потока жидкости. Переключение положения золотника производится с помощью исполнительного механизма, который может быть представлен различными типами приводов – ручными, педальными или электрическими. Это обеспечит необходимую гибкость в управлении системой и позволяет легко адаптировать устройство под конкретные условия эксплуатации и требования пользователя.
Использование этих гидрораспределителей позволяет обеспечить надежную работу гидравлических систем, улучшая их производительность и функциональность в различных промышленных и мобильных применениях.