Гидрозамок ГЗМ10/3(М) аналог ГЗ 10/3М
✓ Сертифицированное оборудование
✓ Гарантия надежной эксплуатации
✓ Контроль качества на каждом этапе
✓ Современное оборудование
✓ Быстрая отгрузка
Основные параметры клапана:
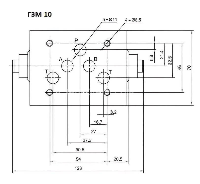
Условный проход, мм: 10
Давление нагнетания ном., МПа: 32
Расход рабочей жидкости, л/мин: 63
Тип монтажа: модульный
Масса, кг: 2,2

Гидрозамки моделей ГЗМ 6/3М, ГЗМ 10/3М, ГЗМ 16/3М и ГЗМ 20/3М предназначены для одностороннего пропуска потока рабочей гидравлической жидкости и блокировки потока в обратном направлении при отсутствии управляющего воздействия. При наличии управляющего воздействия они обеспечивают свободное движение жидкости в обоих направлениях. Эти устройства находят применение в гидроприводах прессов, станков, литейных и литьевых машин, а также в мобильной технике и другом оборудовании с гидравлическим управлением.
Описание конструкции и принципа работы гидрозамков ГЗМ
Гидрозамки ГЗМ6/3 и ГЗМ10/3 (аналог ГЗМ102) блокируют линии A и B при снижении давления в гидросистеме; линии P и T (T1 и T2 для ГЗМ102) предназначены для свободного прохождения рабочей жидкости от других устройств. Эти гидрозамки надежно обеспечивают герметичность полостей цилиндра как при внезапном падении давления, так и при остановке цилиндра в промежуточном положении.
Вместо гидрозамков ГЗМ102 начато производство моделей ГЗМ 10/3 с толщиной 50 мм. Их конструкция полностью соответствует гидросхеме аналогичных изделий. В исполнении ГЗМ 10/3А линия A блокируется под управлением от линии B, в то время как в версии ГЗМ 10/3В все происходит наоборот. Основные характеристики гидрозамков указаны в таблице.
Гидрозамки КОХУМ-6 (производство Болгария) унифицированы по размерам и схеме подключения с моделью ГЗМ-6/3. Они имеют длину 74 мм, толщину 39 мм, номинальное давление 16 и 32 МПа и расход в 10 л/мин.
Чаще всего гидрозамки устанавливаются между гидрораспределителем и монтажной плитой, и их герметизация осуществляется с помощью уплотнительных колец круглого сечения, размещенных в цековках корпуса. Гидрозамки ГЗМ состоят из корпуса, содержащего гидролинии для подачи рабочей жидкости P, отвода рабочей жидкости T, цилиндровые гидролинии A и B, а также гидролинии управления X и Y (только в моделях ГЗМ-16/3М и ГЗМ-20/3М).
В расточках корпуса размещены поршень (толкатель) и запорные элементы, которые связывают обе цилиндровые гидролинии в исполнениях ГЗМ-*3М или с гидролиниями A или B в соответствующих вариантах ГЗМ-*/3МА и ГЗМ-*/3МВ.
Для оптимизации рабочей площади дифференциальных гидроцилиндров в запорных элементах гидрозамков моделей ГЗМ-16/3М и ГЗМ-20/3М могут быть установлены дополнительные клапаны (декомпрессоры).