Гидрозамок ГЗМ16/3А (DAY-04-А-31,5-B-70)
✓ Сертифицированное оборудование
✓ Гарантия надежной эксплуатации
✓ Контроль качества на каждом этапе
✓ Современное оборудование
✓ Быстрая отгрузка
Основные параметры клапана:
Условный проход, мм: 16
Давление нагнетания ном., МПа: 31,5
Расход рабочей жидкости, л/мин: 200
Тип монтажа: модульный
Масса, кг: 2,6

Гидрозамки моделей DAY-04 предназначены для одностороннего пропуска потока рабочей гидравлической жидкости и блокировки потока в обратном направлении при отсутствии управляющего воздействия. При наличии управляющего воздействия они обеспечивают свободное движение жидкости в обоих направлениях. Эти устройства находят применение в гидроприводах прессов, станков, литейных и литьевых машин, а также в мобильной технике и другом оборудовании с гидравлическим управлением.
Описание конструкции и принципа работы гидрозамков DAY-04
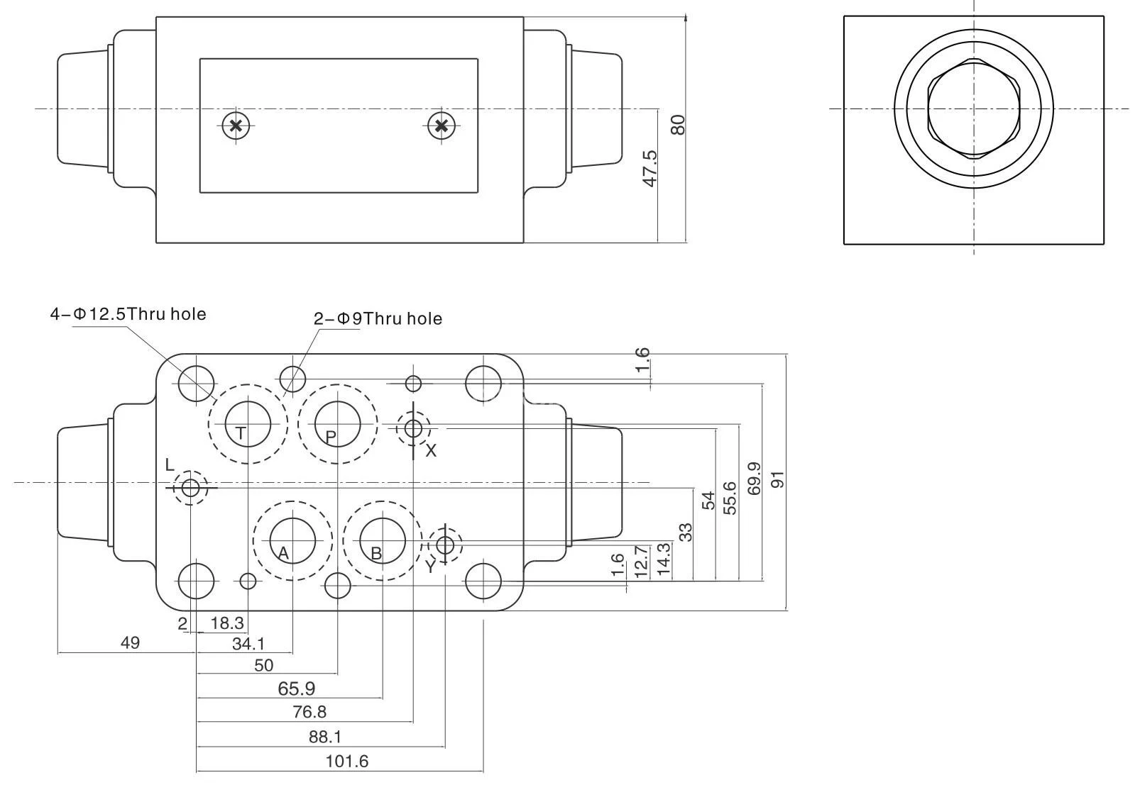
Гидрозамки DAY-04 блокируют линии A и B при снижении давления в гидросистеме; линии P и T предназначены для свободного прохождения рабочей жидкости от других устройств. Эти гидрозамки надежно обеспечивают герметичность полостей цилиндра как при внезапном падении давления, так и при остановке цилиндра в промежуточном положении.
Чаще всего гидрозамки устанавливаются между гидрораспределителем и монтажной плитой, и их герметизация осуществляется с помощью уплотнительных колец круглого сечения, размещенных в цековках корпуса. Гидрозамки DAY-04 состоят из корпуса, содержащего гидролинии для подачи рабочей жидкости P, отвода рабочей жидкости T, цилиндровые гидролинии A и B, а также гидролинии управления X и Y .
Для оптимизации рабочей площади дифференциальных гидроцилиндров в запорных элементах гидрозамков моделей DAY-04 могут быть установлены дополнительные клапаны (декомпрессоры).