Гидрозамок Z2S 6А1-64 Rexroth
✓ Сертифицированное оборудование
✓ Гарантия надежной эксплуатации
✓ Контроль качества на каждом этапе
✓ Современное оборудование
✓ Быстрая отгрузка
Основные параметры клапана:
Условный проход, мм: 6
Давление нагнетания ном., МПа: 31,5
Расход рабочей жидкости, л/мин: 60
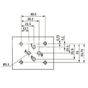
Тип монтажа: модульный
Масса, кг: 2,5


Запорный клапан Z2S является управляемым обратным клапаном секционного типа, предназначенным для надежного герметичного закрытия одного или двух потребительских соединений, даже в условиях длительных простоев.
В направлении A1 к A2 и B1 к B2 поток жидкости свободен, тогда как в обратном направлении объемный расход блокируется. Когда жидкость движется от A1 к A2, управляющий золотник (1) смещается в сторону B и выталкивает плунжер (2) из седла, после чего жидкость может течь от B2 к B1.
Также имеются промежуточные плиты, типоразмер 6, с различными техническими паспортами, описывающими рабочие жидкости на минеральной основе и общую информацию о гидрооборудовании. Важно отметить, что на клапанах без предварительной разгрузки давления возможны резкие изменения давления, что может вызвать удары при переключении. Это может привести не только к сильному шуму, но и к преждевременному износу компонентов.