муфта электромагнитная ЭТМ082 2А
✓ Сертифицированное оборудование
✓ Гарантия надежной эксплуатации
✓ Контроль качества на каждом этапе
✓ Современное оборудование
✓ Быстрая отгрузка
Основные параметры :
Контактная
Номинальное напряжение катушки: 24 В
Мощность катушки при температуре 20 °C: 12 Вт
Номинальная частота вращения: 1500 об./мин
Масса, кг: 1,3



Муфты электромагнитные фрикционные многодисковые серии ЭТМ с магнитопроводящими дисками предназначены для автоматического и дистанционного управления приводами разнообразных машин и механизмов.
Муфты рассчитаны на работу в районах с умеренным и холодным климатом (исполнение УХЛ) и во всех сушевых районах (исполнение О),за исключением районов с очень холодным климатом, а также в помещениях с искусственно контролируемыми климатическими условиями (категория 4) и в помещениях с повышенной влажностью (категория 5). Нижняя температура соответствует значениям для категории 4. Категории и исполнения по ГОСТ 15150—69.
Условия эксплуатации
• высота над уровнем моря до 1000 м;
• окружающая среда не взрывоопасна и не содержит агрессивных паров, газов в концентрациях, разрушающих металлы и изоляцию, а также тумана и брызг токопроводящих жидкостей и токопроводящей пыли;
• место установки муфт защищено от попадания воды и эмульсий;
• допустимая вибрация мест крепления с частотой до 60 Гц при ускорении не более 1g;
• рабочее положение в горизонтальной плоскости. Разрешается установка муфты с вертикальным положением оси вращения;
• муфты должны эксплуатироваться только в масляной среде (индустриальное масло).
Примеры условных обозначений муфт:
ЭТМ 072А 2УХЛ4 — муфта 07-го габарита, контактная, с шпоночным посадочным отверстием 2-го ряда, исполнение УХЛ, категория 4;
ЭТМ 124-1-04 — муфта 12-го габарита, бесконтактная, с шлицевым посадочным отверстием 1-го ряда, исполнение О, категория 4;
ЭТМ 136-3-04 — муфта 13-го габарита, тормозная, с шлицевым посадочным отверстием 3-го ряда, исполнение О, категория 4.
ТЕХНИЧЕСКАЯ ХАРАКТЕРИСТИКА
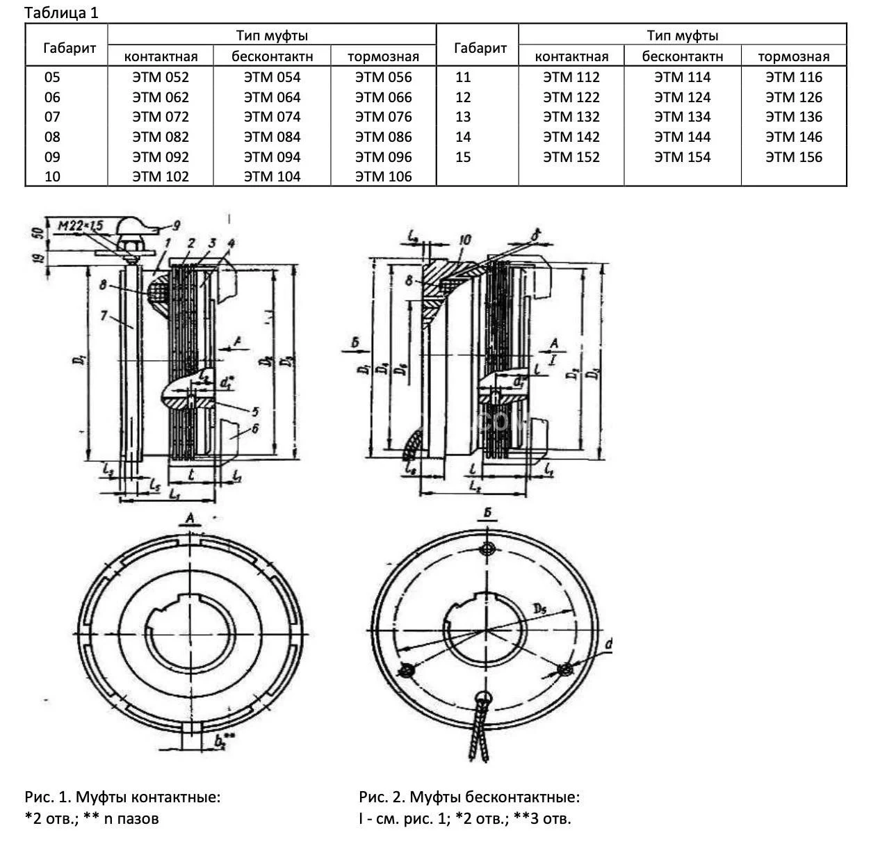
Классификация муфт приведена в таблице №1.
Муфта (рис. 1, 2, 3) состоит из корпуса 1, набора фрикционных дисков (внутренних 2 и наружных 3) и якоря 4. Муфта собрана на общей втулке 5, установленной на ведущем валу. Связь ведомого вала с муфтой осуществляется через поводок 6 (в комплект поставки не входит),который соединяется с внешними дисками. Внутренние диски связаны с втулкой. Катушка возбуждения 8 закреплена в корпусе 1 (для контактных и тормозных муфт) или в держателе 10 (для бесконтактных муфт). Выводные концы катушек бесконтактной и тормозной муфт проходят наружу через отверстие в держателе 10 или в корпусе 1. В контактной муфте один выводной конец катушки подключается к контактному кольцу 7, другой — к корпусу 1.
При подаче напряжения на катушку якорь притягивается к корпусу и сжимает пакет фрикционных дисков, вследствие чего момент передается с ведущего вала на ведомый.
Подача тока к контактным муфтам осуществляется через щеткодержатель 9.
Муфты можно устанавливать как на горизонтальные, так и на вертикальные валы. При монтаже на вертикальном валу электромагнитная муфта, начиная с 10-го габарита, устанавливается якорем вниз. Муфту меньших габаритов допускается монтировать на вертикальном валу с верхним положением якоря. Из-за большего остаточного момента при таком монтаже ограничение по частоте вращения должно составлять не более 30% (при верхнем положении якоря) и не более 60% (при нижнем положении якоря) от указанных в табл. 2 значений, чтобы избежать перегрева.
При монтаже втулка муфты жестко соединяется с ведущим (ведомым) валом через шлицы или шпонку . Держатель бесконтактной муфты крепится винтовым соединением (отверстие d1, рис. 2).
Магнитопроводящие детали механизмов должны располагаться на расстоянии не менее 4–10 мм (в зависимости от габарита муфты) от рабочей воздушной зазора.
Втулка муфты и поводок должны быть размещены соосно с требуемой степенью точности. Рекомендуется поддерживать соосность в пределах 0,01–0,05 мм (в зависимости от габарита муфты). При возрастании частоты вращения допускаемое отклонение по соосности уменьшается.
Шейки валов, предназначенные для муфт, не должны иметь биение более 0,02 мм.
Подвод масла к муфте осуществляется через каналы вала или методом полива.