Насос аксиально-поршневой нерегулируемый НР-Ф2,5/50М
✓ Сертифицированное оборудование
✓ Гарантия надежной эксплуатации
✓ Контроль качества на каждом этапе
✓ Современное оборудование
✓ Быстрая отгрузка
Технические характеристики:
Номинальная подача, л/мин: 3,5
Номинальное давление на выходе, МПа: 50
Частота вращения, об./мин.: 1500
Масса, кг: 28

Насосы НР-Ф представляют собой нерегулируемые радиально-поршневые устройства, предназначенные для подачи минерального масла в гидросистемы машин с постоянным расходом и фиксированным направлением потока рабочей жидкости. Они способны работать при давлениях до 50 МПа (500 кгс/см²).
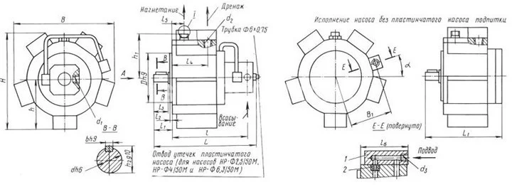
Насосы имеют фланцевое исполнение и могут устанавливаться как в горизонтальном, так и в вертикальном положении.
Модели насосов НР-Ф, такие как НР-Ф 2,5/50М, НР-Ф 4/50М, НР-Ф 6,3/50М, НР-Ф 16/50М и НР-Ф 25/50М, оснащены вспомогательными насосами для подачи минерального масла в гидросистемы при постоянном расходе и давлении до 50 МПа (500 кгс/см²). Ряд моделей включает насосы с рабочими объемами 2,5; 4; 6,3; 16 и 25 см³. Модель НР-Ф 6,3/50М является базовой для насосов с более мелкими рабочими объемами (2,5; 4 и 6,3 см³),в то время как НР-Ф 25/50М служит базовым для более крупных насосов (16 и 25 см³).
Все насосы НР-Ф имеют аналогичную конструктивную схему с радиально расположенными поршнями, приводимыми в движение эксцентриковым валом, клапанным распределением рабочей жидкости и вспомогательным насосом. Они допускают установку как в горизонтальном, так и в вертикальном положении. Например, обозначение фланцевого нерегулируемого радиально-поршневого насоса с рабочим объемом 4 см³ и давлением 50 МПа — НР-Ф 4/50М.
Насосы НР-Ф...М включают в себя радиально-поршневой насос высокого давления и встроенный пластинчатый насос для подпитки. Есть также модели НРК-Ф...М, включающие двухпоточный пластинчатый насос, где одна ступень предназначена для подпитки радиально-поршневого насоса, а вторая — для подачи масла в низкодавленную гидросистему.
Насосный агрегат состоит из радиально-поршневого насоса НР-Ф...М и электродвигателя, установленных на общей плите. Ассортимент насосов НР-Ф...М тоже составляют пять моделей с рабочими объемами 2,5; 4; 6,3; 16 и 25 см³. Модель НР-Ф 6,3/50М является базовой для насосов объемов 2,5; 4 и 6,3 см³, а НР-Ф 25/50М — для 16 и 25 см³.
Все насосы НР-Ф...М имеют одинаковую конструкцию, где радиально расположенные поршни приводятся в движение эксцентриковым валом, с распределением рабочей жидкости с помощью клапанов и вспомогательного насоса.
Описание конструкции насосов Дается на примере базовой модели НР-Ф 6,3/50М, различия в конструкции остальных моделей показаны на основе НР-Ф 25/50М. Корпус насоса — цилиндрическая отливка с креплениями для блоков клапанов, с каналами для всасывания и нагнетания жидкости, которые соединены с соответствующими каналами блоков клапанов.
Работа насоса осуществляется следующим образом: при вращении эксцентрикового вала рабочая жидкость под давлением подпитки направляется к всасывающим клапанам. При открытии клапанов масло попадает в поршневое пространство. При нагнетании всасывающие клапаны закрываются, и масло через нагнетательные клапаны подается в коллектор, откуда отправляется в гидросистему. Уплотнение под высоким давлением осуществляется резиновыми кольцами и прокладками.
Специальные особенности насоса НР-Ф 25/50М включают:
- Стальной корпус с нагнетательным коллектором, сваренным в процессе производства.
- Всасывающий коллектор, сформированный внутренней поверхностью корпуса и кольцевой канавкой задней крышки.