Насос аксиально-поршневой регулируемый PVPC-C3029/1D11 ATOS
✓ Сертифицированное оборудование
✓ Гарантия надежной эксплуатации
✓ Контроль качества на каждом этапе
✓ Современное оборудование
✓ Быстрая отгрузка
Технические характеристики:
Номинальная подача, л/мин: 42
Номинальное давление на выходе, МПа: 35
Частота вращения, об./мин.: 1500
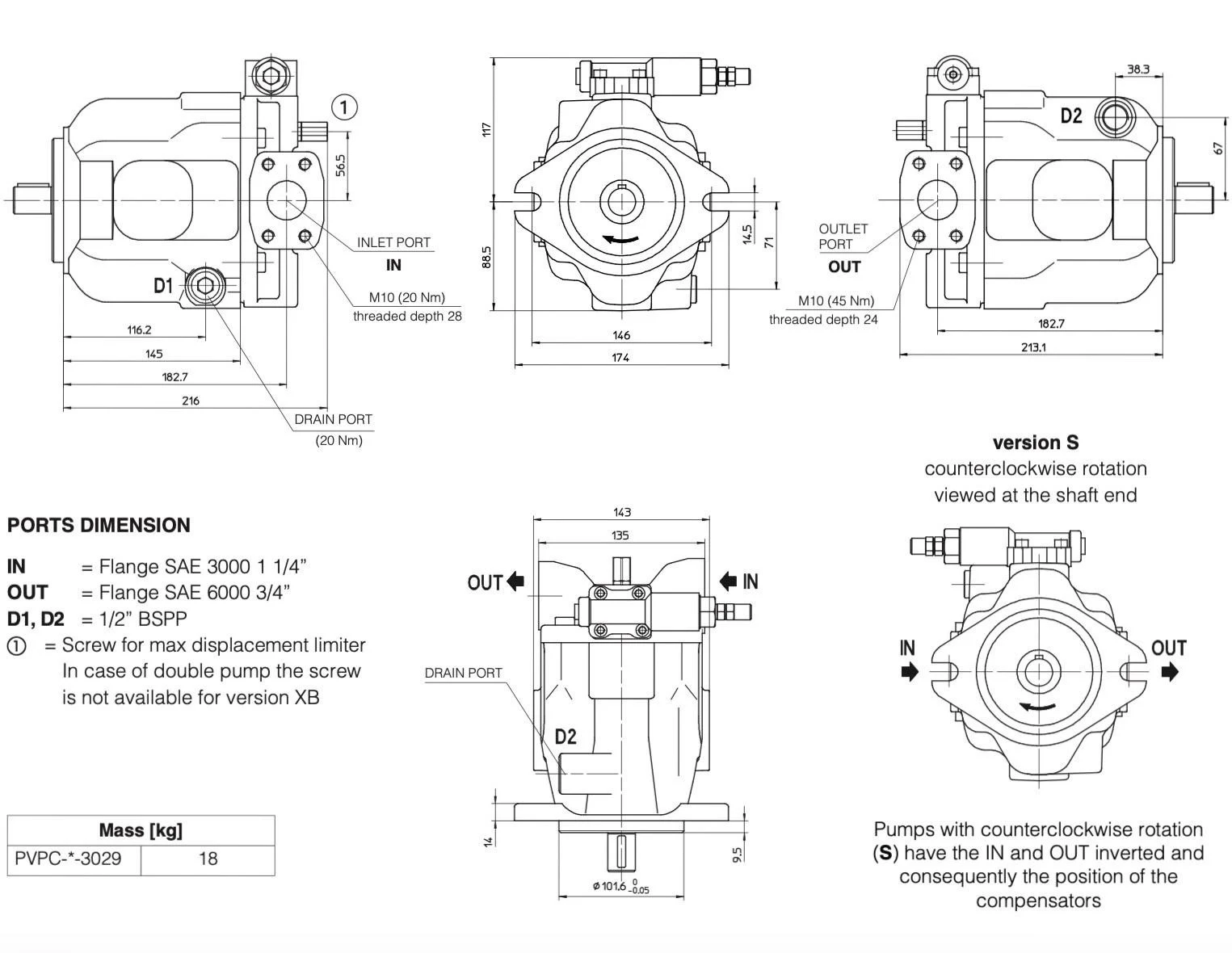
Масса, кг: 18

PVPC - это регулируемые аксиально-поршневые насосы, предназначенные для работы в системах с высоким рабочим давлением. Они характеризуются низким уровнем шума и способны функционировать с гидравлическими минеральными маслами или синтетическими жидкостями, обладающими аналогичными смазочными свойствами.
Рабочий объем насоса изменяется в зависимости от хода нагнетающих плунжеров. Длина этого хода определяется положением наклонного диска, которое регулируется двумя серво-плунжерами с различной площадью сечения, находящимися под действием пружины. Вращающийся барабан приводит в движение нагнетающие плунжеры по замкнутому контуру, совершая возвратно-поступательные движения в барабанных гнездах, что и вызывает перемещение жидкости.
На представленном разрезе показана модификация с механическим компенсатором давления и разгрузочным электромагнитным распределителем. Доступные варианты гидравлических блоков управления представлены в соответствующем разделе, а широкая линейка пропорциональных электрогидравлических блоков управления указана в таблице A170.
Монтажные фланцы и валы насосов изготавливаются в соответствии с установленными стандартами (SAE J744). Максимальные рабочие объемы составляют 29-46-73-88 см³/об, с рабочим давлением до 280 бар и пиковым — до 350 бар. При скорости более 1800 об/мин всасывающий порт должен находиться ниже уровня жидкости в баке и иметь соответствующее проходное сечение. Для моделей с опциями /WG максимальное давление составляет 160 бар, для /PE — 190 бар. Максимальная скорость вращения для моделей с /WG /PE составляет 2000/1900/1600/1500 об/мин для четырех типоразмеров насосов от меньшего к большему.
Компенсатор давления с ручной настройкой автоматически уменьшает подачу насоса при достижении установленного уровня давления, обеспечивая необходимый объем жидкости для гидросистемы. Клапан управления позволяет бесступенчатую регулировку этого давления. Диапазон настройки компенсатора составляет от 20 до 350 бар (315 бар для типоразмера 090),стандартная настройка — 280 бар (250 бар для типоразмера 090).
Существует также винт ограничения максимального рабочего объема насоса, который можно настроить в диапазоне от 50% до 100% от максимального объема. Для некоторых конфигураций сдвоенных насосов установка этого винта может быть невозможна, и для уточнений рекомендуется обратиться в технический отдел. На рисунке представлен насос правого вращения, в версиях с левым вращением порты входа и выхода меняются местами, как и положение блока управления.