насос для подачи СОЖ (помпа) JCB-180
✓ Сертифицированное оборудование
✓ Гарантия надежной эксплуатации
✓ Контроль качества на каждом этапе
✓ Современное оборудование
✓ Быстрая отгрузка
Технические характеристики:
Номинальная подача, л/мин: 180
Номинальное давление на выходе, МПа: 0,04
Частота вращения вала двигателя, об/мин: 2860
Номинальная мощность, КВт: 0,5
Рабочий объем, см.2: 0,63
Масса, кг: 20

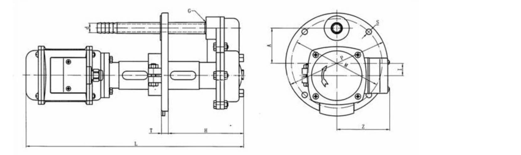
Электронасосы JCB-180 представляют собой импортные агрегаты для подачи смазочно-охлаждающей жидкости (СОЖ),аналогичные российской модели П-200(М). Эти насосы предназначены для подачи СОЖ и жидкостей с сопоставимой вязкостью к рабочей зоне металлообрабатывающих станков, автоматизированных линий и агрегатов.
Как и насос П-200М, модели JCB состоят из электродвигателя, корпуса, крыльчатки и фланца. Принцип их работы основан на том, что при вращении вала электродвигателя рабочая жидкость проходит через всасывающее отверстие, затем через крыльчатку и выходит в систему через нагнетательное отверстие. Продуктивность насосов составляет 22, 45, 90 и 180 литров в минуту соответственно. Направление вращения вала – по часовой стрелке, если смотреть со стороны электродвигателя.
Насосы JCB-180 устанавливаются в бак и крепятся к основанию (фланцу),который идет в комплекте с устройством. Их необходимо монтировать в вертикальном положении, предварительно отрегулировав глубину погружения насосной части. Перед запуском обязательно требуется заземление двигателя, и все ремонтные работы следует проводить только при отключенном электродвигателе.
Модели JCB не предназначены для перекачивания агрессивных жидкостей, способных вызвать коррозию или повреждение компонентов насоса. Рабочие жидкости могут быть как СОЖ, так и минеральные или синтетические масла с вязкостью до 90 сСт, а уровень загрязненности не должен превышать 5 г/л.