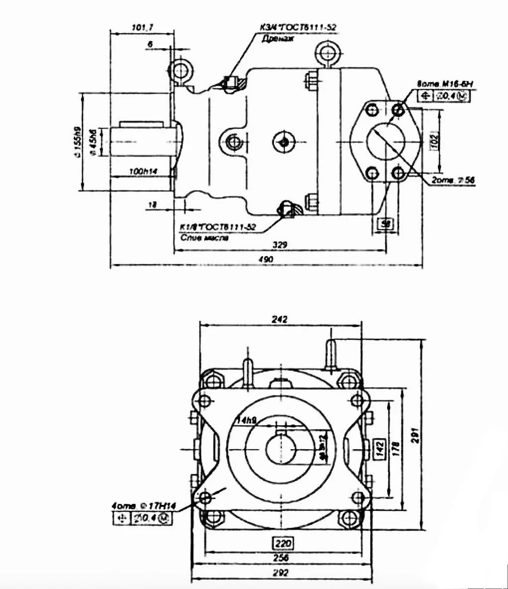
Насос-мотор аксиально-поршневой нерегулируемый УНМА 4 125/32
✓ Сертифицированное оборудование
✓ Гарантия надежной эксплуатации
✓ Контроль качества на каждом этапе
✓ Современное оборудование
✓ Быстрая отгрузка
Технические характеристики:
Номинальная подача, л/мин: 178,1
Номинальное давление на выходе, МПа: 32
Частота вращения, об./мин.: 1500
Масса, кг: 93

Насосы-моторы УМНА созданы для обеспечения потока рабочей жидкости в гидравлических системах машин под давлением до 32 МПа. Они могут функционировать в двух режимах: в режиме насоса для подачи рабочей жидкости с постоянным расходом и направлением, а также в режиме гидромотора для преобразования энергии потока рабочей жидкости в вращательное движение выходного звена.
Типоразмерный ряд аксиально-поршневых насосов-моторов включает 5 моделей с рабочими объемом 125см³. Для примера, условное обозначение УНМА 4 125/32 расшифровывается следующим образом: УМНА - аксиально-поршневой насос-мотор; 125 - рабочий объем в см³; 32 - номинальное давление в кгс/см²; УХЛ - климатическое исполнение; 4 - категория размещения.
В режиме гидромотора рабочая жидкость поступает в рабочие камеры блока цилиндров через фланцевый корпус, кольцевые пазы распределительного диска и основания блока цилиндров. Аксиальные силы плунжеров передаются через гидростатически разгруженные башмаки и шайбу скольжения на корпус подвижной шайбы, что создает окружную силу и, следовательно, крутящий момент на валу. Скорость и направление вращения выходного вала регулируются изменением объема и направления потока рабочей жидкости, подаваемой в насос-мотор.
В режиме насоса вращательное движение вала преобразуется наклонной плоскостью корпуса подвижной шайбы в возвратно-поступательное движение плунжеров, при этом подача регулируется в зависимости от частоты вращения. На фланцевом корпусе насос-мотора размещена табличка с информацией о подводе и отводе рабочей жидкости, а также направлении вращения выходного вала.