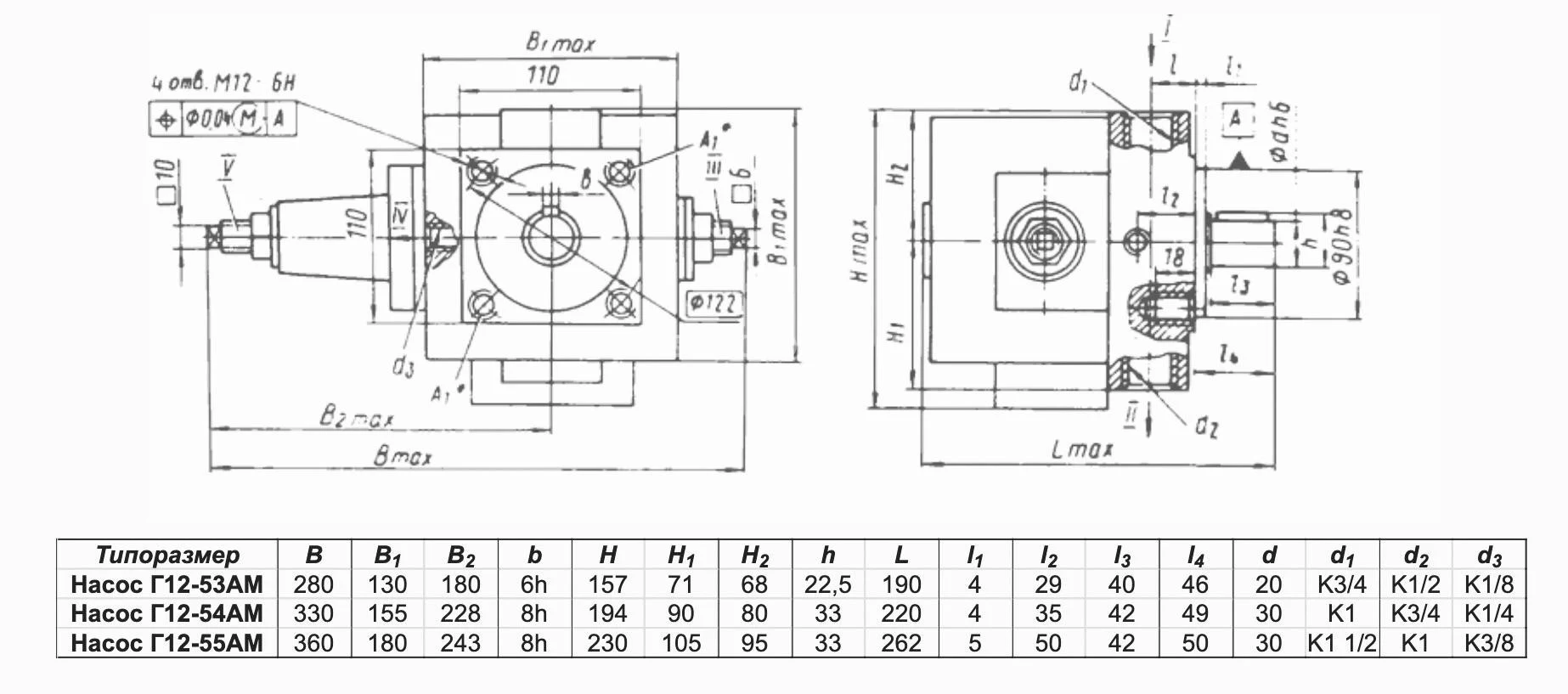
Насос пластинчатый регулируемый Г12-54АМ
✓ Сертифицированное оборудование
✓ Гарантия надежной эксплуатации
✓ Контроль качества на каждом этапе
✓ Современное оборудование
✓ Быстрая отгрузка
Технические характеристики:
Номинальная частота вращения об/мин-1500
Номинальная подача, л/мин: 58
Номинальное давление на выходе, МПа: 6,3

Пластинчатые насосы моделей Г12-53АМ, Г12-54АМ, Г12-55АМ, 2Г12-54АМ-2,5 и 2Г12-55АМ-4 являются регулируемыми и предназначены для перекачивания гидравлической жидкости в различных механизмах и узлах машин, где требуется подача с изменяемой величиной.
Эти насосы (2)Г12-5...М относятся к категории регулируемых пластинчатых насосов и, подобно насосам НПлР, обеспечивают изменение подачи минерального масла в гидроприводах от номинального значения до нуля при достижении давления в системе, равного давлению настройки регулятора. Предусмотренный диапазон кинематической вязкости минерального масла составляет от 20 до 213 мм²/с при температуре от +10 до +50 °С.
Модели насосов Г12-5..М имеют два варианта исполнения для изменения рабочего объёма:
1. Механическое для моделей Г12-53АМ, Г12-54АМ и Г12-55АМ (с номинальным давлением 6,3 МПа);
2. Дистанционное для моделей 2Г12-54АМ-2,5 и 2Г12-55АМ-4 (с номинальным давлением 2,5 и 4 МПа соответственно).
Регулировка давления осуществляется механически, номинальная частота вращения составляет 1500 об/мин, а направление вращения правое (по часовой стрелке со стороны вала). Насосы Г12-5...М соответствуют техническим условиям ТУ 2.053.1765-85.