Насос секционный нерегулируемый 50НС32/2
✓ Сертифицированное оборудование
✓ Гарантия надежной эксплуатации
✓ Контроль качества на каждом этапе
✓ Современное оборудование
✓ Быстрая отгрузка
Технические характеристики:
Номинальная подача, л/мин: 2*22
Номинальное давление на выходе, МПа: 50
Частота вращения, об./мин.: 1500
Масса, кг: 43,5

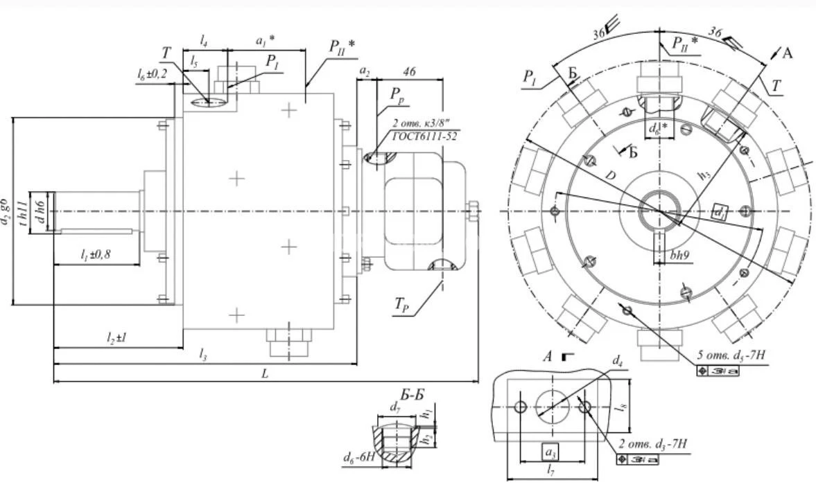
Нерегулируемые радиально-поршневые насосы типа 50НР (50НР4, 50 НР6,3, 50НР8, 50НР10, 50НР14, 50НР16, 50НР32, 50НР63) и секционные насосы типа 50НС (50НС4, 50НС6,3, 50НС8, 50НС10, 50НС14, 50НС16, 50НС32, 50НС63) предназначены для использования в гидроприводах в соответствии с требованиями ГОСТ 17411-91, обеспечивая постоянный поток жидкости по величине и направлению. Насосы 50НР представляют собой радиально-поршневые устройства, тогда как насосы 50НС являются секционными, комбинируя поршневой насос с пластинчатым насосом типа БГ12-42.
Производятся одно- и двухотводные насосы 50НР и секционные насосы 50НС, также одно- и двухотводные. Насосы 50НР могут создавать один или два потока рабочей жидкости с давлением до 50 МПа, тогда как насосы 50НС дополнительно обеспечивают подачу от пластинчатого насоса БГ12-42 с давлением до 2,5 МПа.
Модели 50 НР 4, 50 НР 6,3, 50 НР 14, 50 НР 16, 50 НР 32 предназначены для работы с минеральными маслами, имеющими вязкость от 21 до 265 мм²/с (сСт) и температурой от +10 до +50 °C, в окружающей среде при температуре от 0 до +50 °C. Рекомендуемые жидкости включают минеральные масла ВНИИ НП-403 ГОСТ 16728-78, ИГП-30, ИГП-38 и ИГП-49 по ТУ 38 101413-78.
Фильтрация масла производится с номинальной тонкостью 40 мкм для 50 НР и 25 мкм для 50 НС, что соответствует классу чистоты рабочей жидкости 14 по ГОСТ 17216-71. Вращение насоса осуществляется вправо, и возможно изготовление в левом направлении. Насосы могут иметь горизонтальное или вертикальное расположение, при этом модели с объемом 500 см³ работают только в горизонтальном положении.
Насос 50 НС включает два элемента: радиально-поршневой насос высокого давления 50 НР и пластинчатый насос низкого давления БГ2-42 ТУ 2.053-1342-78. Конструкция 50 НР основана на радиальном расположении поршней с качающейся осью. Приводной эксцентриковый вал устройства опирается на два подшипника и имеет два ряда или один ряд цилиндров, в зависимости от модели. Поршни вставлены в цилиндры, создавая подвижное соединение с подпятниками, и при работе осуществляется всасывание и нагнетание рабочей жидкости через клапаны и коллекторы.
Пластинчатый насос крепится к радиально-поршневому устройству и получает приведение от его вала через муфту, а герметизация стыка осуществляется уплотнением.