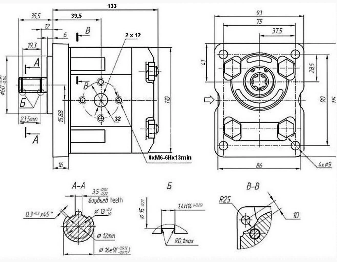
насос шестеренный НШ 4М
✓ Сертифицированное оборудование
✓ Гарантия надежной эксплуатации
✓ Контроль качества на каждом этапе
✓ Современное оборудование
✓ Быстрая отгрузка
Технические характеристики:
Номинальная подача, л/мин: 10,3
Номинальное давление на выходе, МПа: 16
Частота вращения, об./мин.: 50
Масса, кг: 2,3

Насосы шестеренные НШ4 имеют рабочий объем 4 см³ и обеспечивают номинальное давление на выходе в 20 МПа для НШ4-4 и 16 МПа для НШ4Г-3 и НШ4К-3. Эти устройства предназначены для подачи рабочей жидкости в гидравлические системы тракторов, сельскохозяйственных и прочих машин.
Насосы НШ4 выпускаются как в левом, так и в правом вращении, что зависит от их сборки. Левое вращение обозначает вращение ведущего ротора против часовой стрелки, в то время как правое вращение — по часовой стрелке, если смотреть со стороны привода.
Пример условного обозначения насоса может выглядеть так: НШ4 , где:
- НШ - шестеренный насос;
- 4 - рабочий объем насоса в см³;
- Г - условное обозначение производителя;
- 3 - значение номинального давления на выходе (16 МПа);
- Л - направление вращения ведущего ротора, левое, если смотреть со стороны привода (правое не обозначается).
Перед установкой насоса НШ4 убедитесь, что направление вращения вала ведущей шестерни, указанное на крышке насоса, совпадает с направлением вращения привода (например, выходного вала редуктора или электродвигателя). Привод должен исключать передачу радиальных и осевых сил на ведущий вал насоса, а также позволять его радиальное перемещение до 0,3 мм.
Крепление насосов НШ4-4, НШ4К-3 и НШ4Г-3 к корпусу привода выполняется с помощью четырех болтов или шпилек с гайками, которые должны быть надежно затянуты и защищены от самоотвинчивания. Всасывающая и напорная гидролинии подключаются к насосам НШ4.