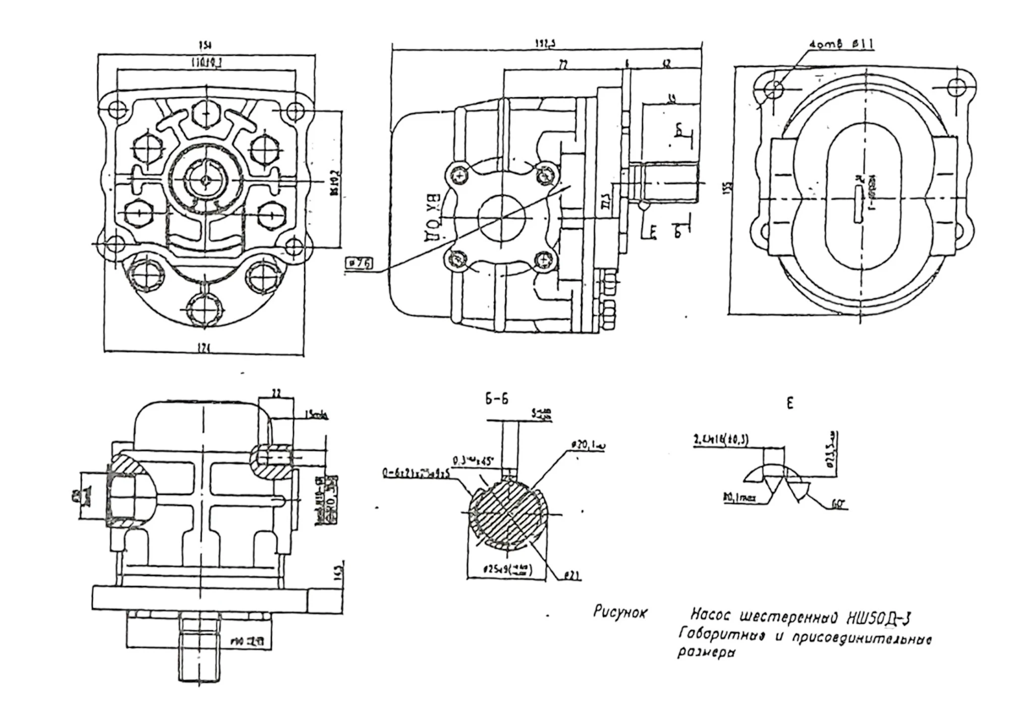
насос шестеренный НШ50В-3Л
✓ Сертифицированное оборудование
✓ Гарантия надежной эксплуатации
✓ Контроль качества на каждом этапе
✓ Современное оборудование
✓ Быстрая отгрузка
Технические характеристики:
Номинальная подача, л/мин: 107
Номинальное давление на выходе, МПа: 16
Частота вращения, об./мин.: 40
Масса, кг: 8

Насосы шестеренного типа НШ50-4 и НШ50А-3 (правое вращение),а также насосы НШ50-4Л и НШ50А-3Л (левое вращение) имеют рабочий объём 50 см³ и обеспечивают номинальное давление на выходе 20 МПа для моделей НШ50-... и 16 МПа для моделей НШ50А-... Эти насосы предназначены для перекачивания рабочей жидкости в гидравлические системы тракторов, сельскохозяйственных машин и других агрегатов.
Насосы НШ50-4 и НШ50А-3 могут быть изготовлены как с левым, так и с правым вращением в зависимости от сборки. Левое вращение обозначает, что ведущий ротор вращается против часовой стрелки, а правое — по часовой стрелке, если смотреть со стороны привода.
Пример обозначения насоса:
НШ50А-3 Л, где:
- НШ - шестеренный насос;
- 50 - рабочий объём насоса (в см³);
- А - условное обозначение производителя;
- 3 - номинальное давление 16 МПа на выходе;
- Л - левое направление вращения ротора, если смотреть со стороны привода (правое обозначение отсутствует).
Перед установкой насоса НШ50 убедитесь, что направление вращения вала ведущей шестерни, указанное на крышке насоса, совпадает с направлением вращения привода (например, выходного вала редуктора или электродвигателя). Привод должен исключать передачу радиальных и осевых усилий на ведущий вал насоса и обеспечивать возможность его радиальных перемещений до 0,3 мм.
Крепление насосов НШ50-4 и НШ50А-3 к корпусу привода выполняется с помощью четырех болтов или шпилек с гайками М10, которые должны быть надежно затянуты и защищены от самоотвинчивания. Всасывающие и напорные гидролинии подключаются к насосу НШ50 с помощью фланцев и уплотнительных колец.
Насос НШ50У-3 полностью взаимозаменяем с аналогичными насосами других производителей, такими как НШ50В, НШ50УК, НШ50УЖ-3Б.
В качестве рабочей жидкости для насоса третьего исполнения (НШ50А-3) летом рекомендуется использовать моторное масло М-10В2, а зимой - моторные масла М-8Г1 или М-8Г2. Для насосов четвертого исполнения (НШ50-4) подходят моторные масла М-8В1, М-8В2, М-8Г1, М-8Г2, гидравлическое масло МГЕ-46В, а также индустриальные масла И-30А, И-40А и И-50А. Также допускается использование масел иностранных производителей.