насос шестеренный НШ6М
✓ Сертифицированное оборудование
✓ Гарантия надежной эксплуатации
✓ Контроль качества на каждом этапе
✓ Современное оборудование
✓ Быстрая отгрузка
Технические характеристики:
Номинальная подача, л/мин: 16,2
Номинальное давление на выходе, МПа: 16
Частота вращения, об./мин.: 50
Масса, кг: 2,4

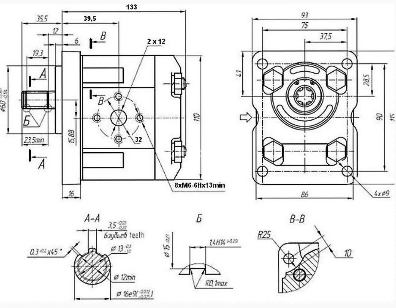
Насос шестеренный НШ 6 и НШ6Г-3 предназначен для перекачивания рабочей жидкости (масла) в гидравлические системы мобильной и сельскохозяйственной техники, а также в других гидравлических установках.
Гидравлические шестеренные насосы НШ-6 могут быть изготовлены с правым или левым вращением вала (обозначение Л). Конструкция насоса НШ6 включает корпус, ведущий и ведомый роторы, опорные втулки, резиночковые манжеты, уплотнительные кольца, переднюю и заднюю крышки, а также болты с пружинными шайбами. Принцип работы шестеренного насоса НШ основан на том, что при вращении роторов создается разрежение на входе, благодаря чему жидкость из атмосферы заполняет впадины между зубьями и перемещается от входа к выходу. На выходе, за счет зацепления зубьев, происходит выталкивание жидкости в гидравлическую систему.
Основными преимуществами насоса НШ-6 являются высокая производительность и долговечность, что позволяет ему эффективно функционировать в сложных условиях. Его конструктивные элементы изготавливаются из качественных материалов, что обеспечивает надежность и стабильность работы в течение продолжительного времени.
Насос НШ 6 имеет компактные размеры, что облегчает его установку и использование. Он также является универсальным и может применяться в различных производственных задачах. Насосы НШ6Г-3 и НШ6-3 (правого вращения) и насосы НШ6Г-3Л и НШ6-3Л (левого вращения) имеют рабочий объем 6,3 см³ и номинальное давление на выходе 16 МПа, и предназначены для перекачивания рабочей жидкости в гидравлические системы тракторов и другой техники.
Насосы НШ6Г-3 и НШ6-3 выпускаются как с левым, так и с правым вращением, в зависимости от конфигурации. Левое вращение означает, что ведущий ротор вращается против часовой стрелки, в то время как правое означает вращение по часовой стрелке, если смотреть со стороны привода.
Условное обозначение насоса может выглядеть следующим образом:
НШ6Г-3 Л, где:
НШ - шестеренный насос;
6 - рабочий объем насоса (6,3 см³);
Г - обозначение завода-изготовителя;
3 - номинальное давление на выходе насоса, равное 16 МПа;
Л - направление вращения ведущего ротора (левое),если смотреть со стороны привода (правое - не обозначается).
Перед установкой насоса НШ6 важно удостовериться, что направление вращения вала ведущей шестерни, указанное на крышке насоса, совпадает с направлением вращения привода (выходного вала редуктора или электродвигателя и т.п.). Привод также должен исключать передачу радиальных и осевых нагрузок на ведущий вал насоса и обеспечивать возможность его радиальных перемещений до 0,3 мм.
Насосы исполнений "Г" (НШ6Г-3) имеют сквозной равнопрочный корпус, устраняющий возможность перекоса качающего узла, что гарантирует надежную работу насоса на протяжении всего срока эксплуатации. Насосы из типоразмерного ряда групп 3 и 4 работают в гидросистемах с максимальным давлением до 25 МПа.