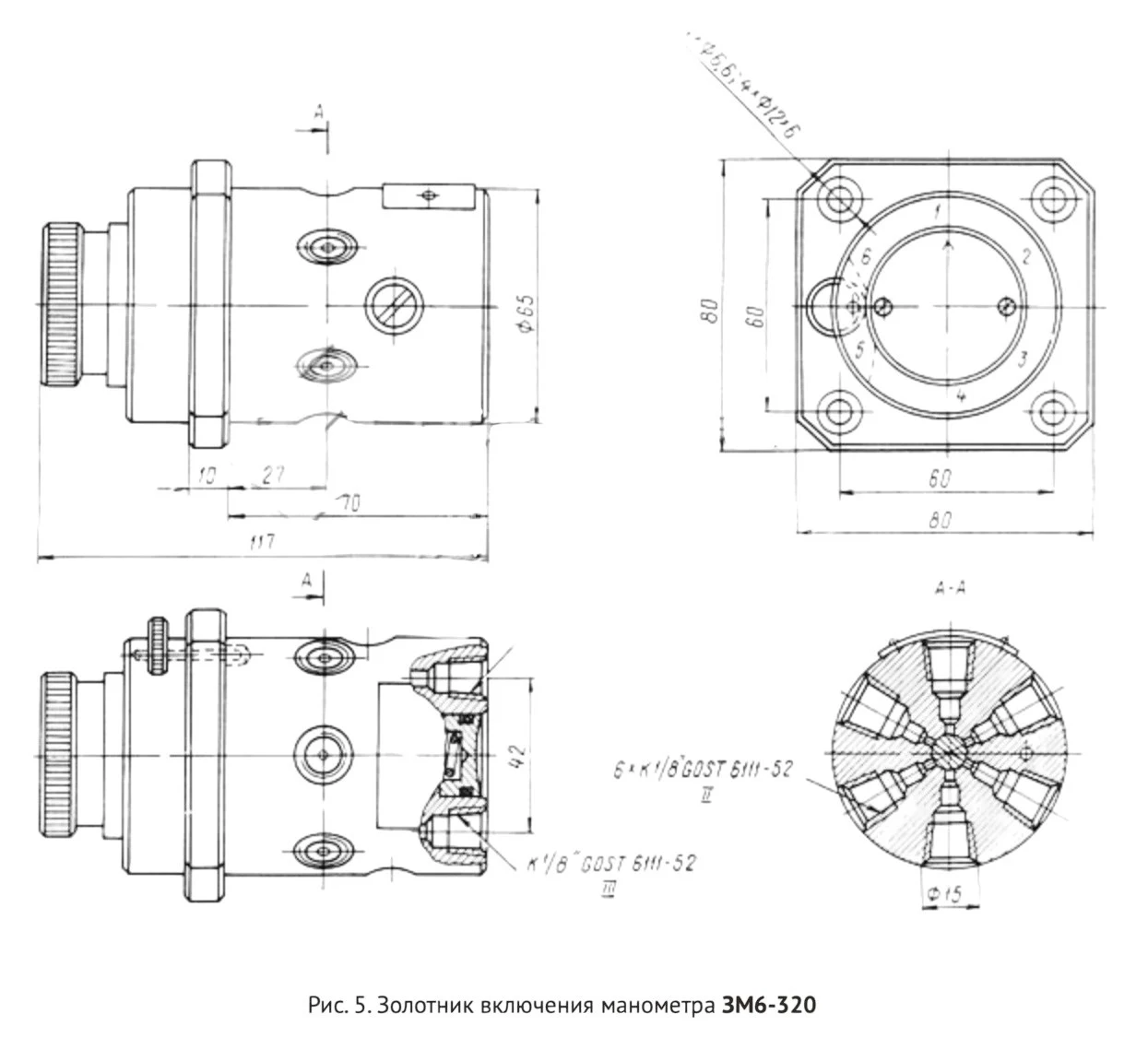
Переключатель манометра ЗМ6-320
✓ Сертифицированное оборудование
✓ Гарантия надежной эксплуатации
✓ Контроль качества на каждом этапе
✓ Современное оборудование
✓ Быстрая отгрузка
Технические характеристики:
Давление на входе, МПа: 32
Тип присоединения:К ⅛”
Число точек замера : 6
Масса (без рабочей жидкости),кг, не более:2,5

Золотники включения манометра марки 3М-320 предназначены для соединения манометра с рабочими полостями, в которых требуется измерить давление, или с сливной магистралью.
Золотники работают на чистых минеральных маслах с фильтрующей способностью не более 25 мкм, кинематической вязкостью от 10 до 400 мм/с (сСт) при температуре масла от 10 до 70 °С и при температуре окружающей среды от 1 до 55 °С.
Переключатели манометров рассчитаны на номинальное давление 32 МПа.
Климатическое исполнение: УХЛ4 — для умеренного климата; 04 — для тропического климата.
Переключатели манометров ЗМ имеют следующие конструктивные исполнения:
По способу присоединения:
Резьбовые:
3M2.1-320 — с креплением на торцевую плоскость;
3М2.2-320 — с креплением на боковую плоскость;
3М6-320 — с фланцевым креплением;
Стыковое:
3М2.1-C320 — с креплением на торцевую плоскость;
3M2.2-C320 — с креплением на боковую плоскость;
3М6-C320 — с креплением на вертикальную и горизонтальную плоскости.
По числу точек замера:
Двухточечные — 3М2.1-320, 3M2.2-320, 3М2.1-C320, 3М2.2-C320;
Шеститочечные — 3М6-320, 3М6-С320.
Пример условного обозначения переключателя манометра для замера давления в двух точках, резьбового, с креплением на торцевую плоскость, климатического исполнения УХЛ4 — 3М2.1-320 УХЛ4.
Золотник включения манометра состоит из чугунного корпуса, в который установлен золотник.
Золотник 3М2-320 имеет три фиксированных положения рукоятки. В положении «О» манометр соединяется со сливом. При повороте рукоятки на 90° по часовой стрелке манометр соединяется с левой полостью, при повороте против часовой — с правой. Положение рукоятки фиксируется шариком 6 и пружиной 5, а поворот ограничен штифтом 10 и штифтами в самой рукоятке.
Золотник 3М6-320 имеет шесть фиксированных положений рукоятки для подключения манометра к шести полостям, в которых требуется замерить давление.
Палец 12, входящий в одно из шести отверстий рукоятки, фиксирует её в нужном положении.
В исходном положении манометр соединяется со сливом. Чтобы измерить давление в одной из шести точек, рукоятку оттягивают, disengage от пальца 12. Затем рукоятку поворачивают в нужное положение и отпускают. Пружина 7 возвращает её в исходное положение.
Затем нажимают рукоятку, и золотник, перемещаясь, отсоединяет манометр от слива и соединяет его с точкой измерения.
При необходимости рукоятку можно зафиксировать защёлкой 11, расположенной в пазу фланца 6.