пластинчатый насос 25M42A 1C20 VICKERS
✓ Сертифицированное оборудование
✓ Гарантия надежной эксплуатации
✓ Контроль качества на каждом этапе
✓ Современное оборудование
✓ Быстрая отгрузка
Технические характеристики:
Номинальная подача, л/мин: 13,9
Номинальное давление на выходе, МПа: 21
Частота вращения, об./мин. : 1200 об./мин.
Масса, кг.: 19,9

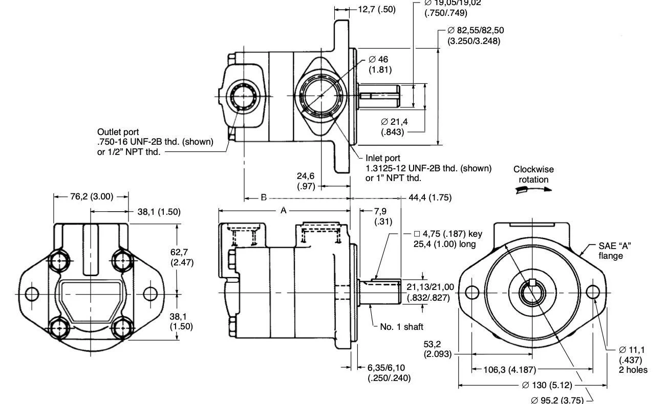
Гидравлический мотор Vickers серии 25M предлагает различные объемы, варьирующиеся от 43,9 см³/оборот до 68,7 см³/оборот. Подача рабочей жидкости к соединению "L" обеспечивает вращение вала по часовой стрелке, тогда как подача к соединению "K" приводит к вращению против часовой стрелки. Стандартная позиция крышки "C" может быть изменена в зависимости от модели.
Максимальная скорость вращения данного мотора достигает 3600 об/мин при давлении 34 бар, что гарантирует его высокую производительность в условиях непрерывной работы. Также благодаря прямому валу с ключом, мотор обеспечивает надежное соединение с рабочим оборудованием.
Одним из основных преимуществ гидравлического мотора Vickers серии 25M является его способность функционировать при высоких давлениях, сохраняя при этом стабильную производительность. Конструкция и характеристики этого мотора делают его идеальным вариантом для различных промышленных приложений, требующих надежности и долговечности.