пластинчатый насос БГ12-42 (17л.)
✓ Сертифицированное оборудование
✓ Гарантия надежной эксплуатации
✓ Контроль качества на каждом этапе
✓ Современное оборудование
✓ Быстрая отгрузка
Технические характеристики:
Номинальная подача, л/мин: 17
Номинальное давление на выходе, МПа: 10
Частота вращения, об./мин. : 1500 об./мин.
Масса, кг: 3,6

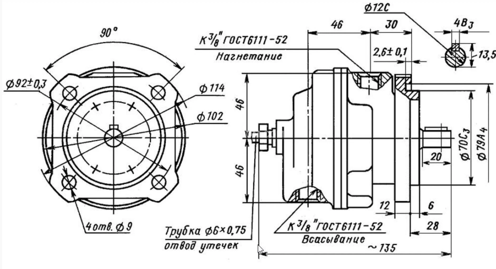
Насосы типа БГ12-41 представляют собой нерегулируемые пластинчатые насосы с постоянным направлением потока рабочей жидкости. Они используются для подачи масла под давлением в гидросистемы различные станков и оборудования в машиностроении. Эти насосы работают в качестве смазочных устройств в гидросистемах прессов в сочетании с радиально-поршневыми насосами НР50. В качестве рабочей жидкости применяются минеральные масла с кинематической вязкостью от 17 до 213 сСт при температуре от +10 до +50 °С. Класс чистоты масла должен быть не ниже 12 по ГОСТ 17216-71, а тонкость фильтрации составляет 25 мкм. Номинальная частота вращения вала составляет 1500 об/мин, а производительность насосов — 3,3 л/мин. Рекомендуемые марки масел включают ВНИИ 1Ш-403 по ГОСТ 16728—78 и ИГП по ТУ 38.101413-78.
В насосе БГ12-41 детали расположены так, чтобы вал вращался в "правом" направлении. При вращении вала происходит перемещение пластин в пазах ротора под действием центробежной силы и давления рабочей жидкости. Объём камеры между пластинами увеличивается, что приводит к всасыванию через специальные окна на дисках и полости крышки. При уменьшении объёма жидкость вытесняется через окна. Рабочие компоненты насоса прижимаются к крышке пружинами и давлением жидкости.
Данный насос может быть установлен в любом положении, а соединение с приводным валом электродвигателя осуществляется через упругую муфту. Радиальное смещение осей вала не должно превышать 0,1 мм, а угловое – 1°. Важно, чтобы направление вращения соответствовало указаниям на корпусе.
Для защиты насоса и гидросистемы станка от перегрузок необходимо отрегулировать предохранительный клапан на давление до 12,5 МПа, при этом расход клапана должен быть не менее, чем подача насоса. Трубопроводы должны быть прямыми, тщательно очищенными и качественно уплотненными. Скорость масла в трубопроводах не должна превышать 1,5 м/с, а давление на входе должно быть в пределах 0,12-0,08 МПа. Концы труб должны быть срезаны под углом 45°, находиться на расстоянии не менее 250 мм друг от друга, а объем масла в баке должен обеспечивать по крайней мере двухминутную подачу насоса. Важно следить за состоянием бака, чтобы предотвратить попадание грязи. Внутри бака всасывающая линия насоса должна быть отделена от сливной перегородкой высотой 2/3 от рекомендуемого уровня масла, причем можно установить фильтр с индикатором загрязненности, но при условии, что давление на входе в насос остается не менее 0,08 МПа.
Разборка насоса осуществляется по определенной последовательности: сначала отворачиваются винты, соединяющие крышку с корпусом, затем снимается крышка и вынимается подшипник с помощью съемника. Далее извлекаются уплотнительное кольцо, плоский диск, ротор с пластинами и статор, а также фланец с валом.
Сборка выполняется в обратном порядке, при этом следует обращать внимание на направление наклона пазов ротора, расположение рабочих кромок насосов и углы между всасывающими и нагнетающими окнами в дисках. Направление вращения вала в насосе не подлежит изменению. Для надёжной работы насоса необходимо использовать только чистые минеральные масла и производить их замену при загрязнении или изменении вязкости.