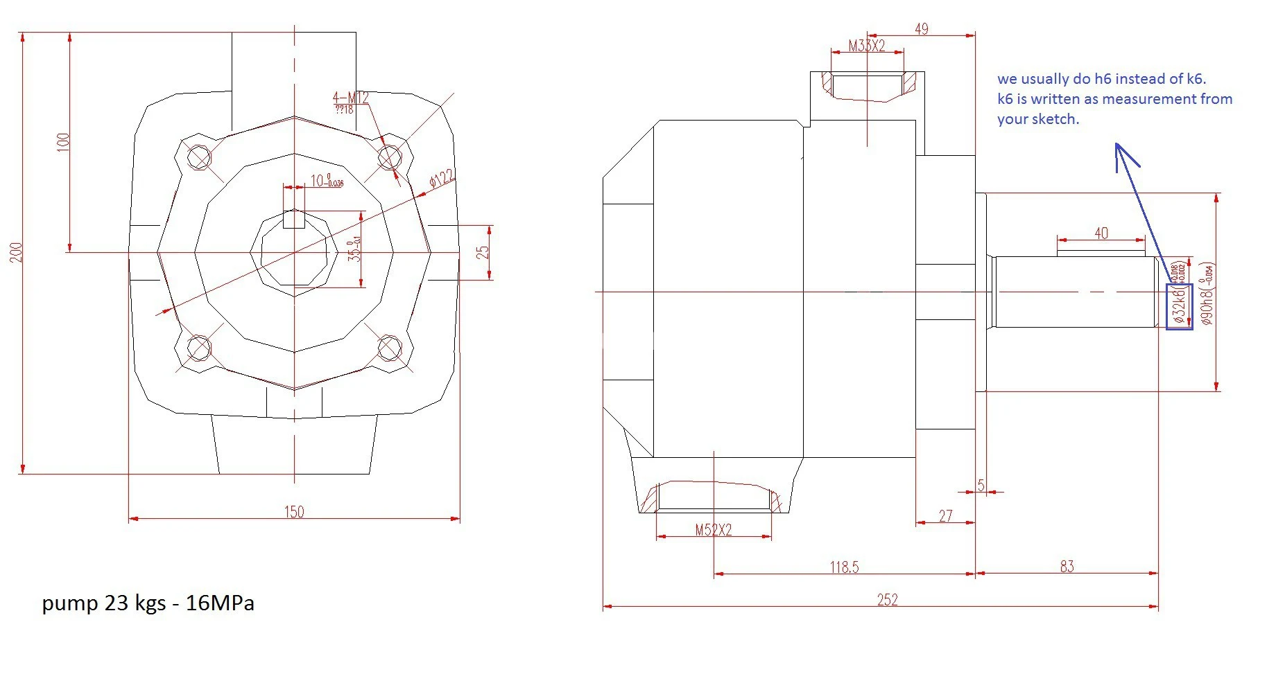
пластинчатый насос НПл56/16 (NPLG 63)
✓ Сертифицированное оборудование
✓ Гарантия надежной эксплуатации
✓ Контроль качества на каждом этапе
✓ Современное оборудование
✓ Быстрая отгрузка
Технические характеристики:
Номинальная подача, л/мин: 71,4
Номинальное давление на выходе, МПа: 16
Частота вращения, об./мин. : 1500 об./мин.
Масса, кг: 23

Насосы пластинчатые типа NPLG действительно являются полными аналогами российских насосов НПл и соответствуют международным стандартам качества ISO 9001. Они отличаются повышенным сроком службы, износостойкостью и безопасностью в эксплуатации. Эти насосы рассчитаны на давление до 16 МПа и скорость вращения вала 1500 об/мин, что делает их подходящими для использования в гидросистемах станочного и прессового оборудования, где требуется нерегулируемый поток минерального масла.
Рабочая жидкость должна проходить предварительную подготовку и фильтрацию с уровнем не ниже 25 мкм, что обеспечит эффективность и надежность работы насоса. Насосы NPLG также разделяются на два габарита по объему рабочей камеры: насосы NPLG 6,3, NPLG 16 и NPLG 25 соответствуют первому габариту, а насосы NPLG 63 и NPLG 100 - второму.
Основные компоненты таких насосов включают корпус, ротор, рабочие пластины, вал, подшипники, уплотнения, а также дополнительные элементы, такие как патрубки, направляющий аппарат и уплотняющие кольца. Эти компоненты выполняют ключевые функции для эффективной работы насоса, обеспечивая как его герметичность, так и оптимизацию движения рабочей жидкости.
Поскольку NPLG не является общепринятой аббревиатурой, актуальную информацию о конкретных моделях можно найти в технической документации или напрямую у производителя.